
Клапан картерных газов на автомобилях УАЗ выполняет важную функцию в системе вентиляции картера двигателя. Этот элемент необходим для предотвращения накопления давления в картере, что может привести к повреждениям двигателя. Местоположение клапана может варьироваться в зависимости от модели, но обычно он находится в верхней части двигателя, на крышке картера или рядом с ним.
При необходимости замены клапана, важно тщательно следить за его состоянием. Засорение или поломка клапана может привести к повышенному расходу масла, плохой работе двигателя и даже к его перегреву. Регулярная проверка состояния клапана и очистка от загрязнений – обязательная мера для поддержания оптимальной работы автомобиля.
Совет: Для проведения диагностики или замены клапана рекомендуется использовать сервисное руководство к вашему автомобилю, так как в некоторых случаях доступ к клапану может потребовать снятия других деталей двигателя.
Как найти клапан картерных газов на УАЗ 469

Клапан картерных газов на УАЗ 469 находится в верхней части двигателя, на крышке картера. Чтобы его найти, необходимо сначала снять воздушный фильтр, так как он может закрывать доступ к нужной части. Клапан расположен непосредственно в корпусе системы вентиляции картера, который имеет выход для шланга, ведущего к картеру.
Для поиска клапана снимите клапанную крышку. Это даст доступ к передней части головки блока цилиндров, где и будет виден сам клапан. Он представляет собой небольшой элемент с резиновым или металлическим штоком, который используется для регулирования выхода картерных газов в систему вентиляции. Обычно клапан закреплен с помощью металлической пружины или с помощью специального зажима, в зависимости от модификации двигателя.
После снятия крышки осмотрите систему вентиляции картерных газов. Клапан будет виден в том месте, где проходит шланг вентиляции. Важно проверить, нет ли повреждений или засоров, так как это может привести к ухудшению работы двигателя. Если клапан загрязнен, его можно аккуратно почистить или заменить на новый.
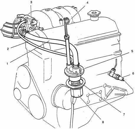
Расположение клапана картерных газов на УАЗ Патриот

Клапан картерных газов на УАЗ Патриот находится в передней части двигателя, непосредственно на блоке цилиндров. Этот элемент выполняет важную функцию – отведение избыточных газов, образующихся в картере двигателя, в систему впуска, что способствует улучшению экологии и повышению эффективности работы мотора.
Для доступа к клапану необходимо снять пластиковую защитную крышку двигателя, расположенную в верхней части моторного отсека. После этого будет видно отверстие, через которое подключен клапан картерных газов. Он подключается к системе вентиляции картерных газов (ВКГ), которая идет в коллектор.
Важно отметить, что клапан картерных газов на УАЗ Патриот является подвижным элементом, и с течением времени может подвергаться засорению. При появлении признаков ухудшения работы двигателя, таких как повышенный расход масла или нестабильная работа на холостых оборотах, рекомендуется проверять состояние клапана.
Проверка и очистка клапана картерных газов на УАЗ Патриот могут проводиться вручную. Для этого нужно открутить крепежные болты клапана и тщательно очистить его от накопившегося мусора или масла. Важно помнить, что клапан не подлежит ремонту, и в случае повреждения его необходимо заменить.
Регулярная проверка клапана помогает поддерживать работоспособность вентиляции картера, что уменьшает вероятность образования избыточного давления в двигателе и предотвращает его перегрев.
Как правильно разобрать элементы для доступа к клапану картерных газов

Для доступа к клапану картерных газов на УАЗ необходимо снять несколько элементов двигателя. Начните с отключения аккумулятора для предотвращения коротких замыканий.
Снимите воздуховод и фильтр воздушного потока. Для этого ослабьте хомуты, отсоедините шланги и аккуратно снимите воздуховод с фильтром. Следите за состоянием уплотнителей и трубок, чтобы избежать повреждений при монтаже обратно.
После этого отсоедините патрубки системы вентиляции картерных газов, которые идут от блока цилиндров к клапану. Обратите внимание на состояние всех соединений: возможные трещины или износ могут требовать замены. Используйте подходящий инструмент для ослабления креплений и снятия патрубков.
Теперь можно переходить к снятию крышки клапанов. Для этого потребуется отвертка или ключ для откручивания болтов, удерживающих крышку. Работайте аккуратно, чтобы не повредить уплотнительные элементы. При снятии крышки убедитесь, что не утратили элементы крепления – их может быть несколько разных типов, и важно не перепутать их при сборке.
После снятия крышки клапанов, откройте доступ к крышке блока картерных газов, где и находится клапан. Снимите крышку, откручивая болты и прокачайте двигатель, чтобы извлечь остатки старого масла, если оно есть на клапане.
Внимательно осмотрите сам клапан на предмет загрязнений и износа. Если клапан загрязнен, очистите его с использованием специального очистителя для картерных газов, избегая использования агрессивных химических средств, которые могут повредить резиновые уплотнители.
После выполнения всех необходимых манипуляций с клапаном, установите элементы в обратном порядке, соблюдая технологию и затяжку болтов с нужным моментом.
Особенности установки клапана картерных газов на УАЗ Буханка

Клапан картерных газов на УАЗ Буханка монтируется на крышке двигателя, в специально отведенное для этого место. Для начала необходимо отсоединить отрицательную клемму аккумулятора, чтобы избежать коротких замыканий. Затем откручиваются болты, которые крепят крышку картерных газов к корпусу двигателя. Важно помнить, что на некоторых моделях может быть необходим демонтаж дополнительных элементов, таких как воздуховоды, что требует использования стандартных инструментов и аккуратности.
Перед установкой клапана картерных газов следует тщательно очистить место установки. Это предотвратит попадание грязи и пыли в двигатель. Убедитесь, что на месте установки не осталось старых уплотнителей или остатков герметика, которые могут повлиять на герметичность соединений.
Также следует обратить внимание на герметичность соединений. Использование герметика не рекомендуется, если только это не указано в инструкции, так как это может затруднить дальнейший демонтаж клапана. После установки следует проверить, нет ли признаков утечек газа, и убедиться в нормальной работе вентиляции картера.
Важно: не забывайте об регулярной проверке состояния клапана и его очистке от возможных загрязнений. Это поможет поддерживать двигатель в оптимальном состоянии и предотвратить накопление вредных веществ в системе.
Как проверить работоспособность клапана картерных газов на УАЗ
- Подготовка автомобиля: Убедитесь, что двигатель остыл, чтобы избежать ожогов и повреждений. Заглушите мотор и отсоедините аккумулятор для безопасности.
- Доступ к клапану: Клапан картерных газов расположен на крышке двигателя или в другом доступном месте, в зависимости от модели УАЗа. В большинстве случаев его можно найти рядом с системой впуска или вентиляции картера.
- Осмотр клапана: Проверьте клапан на наличие видимых повреждений. Корпус должен быть целым, без трещин и деформаций. Также осмотрите его на предмет загрязнений и нагара, что может привести к нарушению работы.
- Проверка клапана на герметичность: Для проверки герметичности клапана можно выполнить следующее. Закройте отверстие, через которое он соединяется с системой вентиляции, и попробуйте подуть в клапан. Если воздух проходит через него, клапан неисправен и нуждается в замене.
- Проверка сжатым воздухом: Для более точной диагностики используйте сжатый воздух. Направьте воздух в клапан, и посмотрите, как он реагирует. Если клапан не закрывается должным образом, это указывает на его неисправность.
- Проверка на двигатель: Включите двигатель и внимательно слушайте его работу. Если клапан неисправен, может наблюдаться повышенная утечка газов, что приведет к нестабильной работе мотора.
Если клапан не прошел хотя бы один из этих тестов, его необходимо заменить. Регулярная проверка клапана поможет избежать проблем с производительностью двигателя и избежать чрезмерного накопления давления в картере.
Советы по обслуживанию клапана картерных газов на УАЗ для долгосрочной эксплуатации

Регулярная очистка клапана картерных газов помогает избежать накопления загрязнений, которые могут привести к ухудшению работы двигателя. Рекомендуется проверять его состояние каждые 10 000 километров пробега или при проведении других плановых обслуживаний.
Для профилактики засорения клапана используйте качественное моторное масло, соответствующее спецификациям вашего автомобиля. Низкокачественные жидкости могут содержать примеси, способствующие образованию осадков и частиц, которые нарушают нормальное функционирование клапана.
При осмотре клапана картерных газов обращайте внимание на его состояние. Если из него наблюдается выброс дыма или повышенный расход масла, это сигнализирует о его неисправности. В таком случае клапан следует заменить или тщательно очистить, если это возможно.
Также важно проверять герметичность системы вентиляции картерных газов. Негерметичные соединения могут приводить к повышенному давлению в картере, что негативно сказывается на двигателе. Все шланги и соединения должны быть плотными, без трещин и повреждений.
Для очистки клапана используйте только специальные жидкости и инструменты, рекомендованные производителем. Нельзя использовать агрессивные химические средства, так как они могут повредить пластиковые или резиновые компоненты системы.
Если клапан картерных газов засоряется часто, это может указывать на более серьезные проблемы в двигателе, такие как чрезмерное образование углеродных отложений или проблемы с системой вентиляции. В таких случаях рекомендуется проконсультироваться с механиком для более детального осмотра двигателя.
Вопрос-ответ:
Где находится клапан картерных газов на УАЗ?
Клапан картерных газов на УАЗ обычно находится на крышке картера двигателя. В зависимости от модели и года выпуска автомобиля, его расположение может варьироваться, но чаще всего он располагается на передней части двигателя, рядом с впускным коллектором или под крышкой клапанов.
Как найти клапан картерных газов на УАЗ?
Для того чтобы найти клапан картерных газов на УАЗ, нужно открыть крышку картера и осмотреть её внутреннюю поверхность. Клапан обычно крепится на крышке и имеет маленький пластиковый или металлический корпус с шлангом для вывода газов. Если на крышке есть ремкомплект, клапан можно легко заменить.
Какая роль клапана картерных газов в двигателе УАЗ?
Клапан картерных газов на УАЗ выполняет важную функцию в системе вентиляции двигателя. Он отводит избыточные газы, которые образуются в процессе работы двигателя, предотвращая их накопление в картере. Это помогает поддерживать нормальное давление в картере и снижать вероятность повреждения деталей двигателя.
Что делать, если клапан картерных газов на УАЗ забился?
Если клапан картерных газов забился, это может привести к повышенному давлению в картере, что вызовет утечку масла или проблемы с работой двигателя. В таком случае рекомендуется снять клапан, очистить его от грязи и загрязнений, или при необходимости заменить на новый. Очищение клапана можно выполнить с помощью специальных жидкостей или продувкой воздухом.
Как часто нужно проверять клапан картерных газов на УАЗ?
Рекомендуется проверять состояние клапана картерных газов на УАЗ при каждом плановом техническом обслуживании. Это поможет предотвратить возможные проблемы, связанные с его засорением или поломкой. Если заметны признаки утечек масла или нестабильной работы двигателя, следует проверить клапан картерных газов в первую очередь.
Где находится клапан картерных газов на УАЗ?
Клапан картерных газов на УАЗ обычно устанавливается на крышке клапанов или вблизи нее. В зависимости от модели и года выпуска автомобиля, расположение клапана может немного отличаться. Он служит для предотвращения накопления давления в картере двигателя и помогает поддерживать нормальную работу системы вентиляции. Чтобы точно определить место установки, нужно ознакомиться с технической документацией вашего автомобиля или обратиться к специалисту.
