
Гуляние верхнего рычага подвески на ВАЗ 2105 – это проблема, которая может сильно повлиять на управляемость автомобиля и безопасность его эксплуатации. Основной причиной этого дефекта является износ и повреждения компонентов подвески, что приводит к ухудшению геометрии и снижению эффективности работы подвески. Важно понимать, что этот дефект не всегда связан с очевидными внешними повреждениями, а может быть следствием мелких, но важных нарушений.
Первая и наиболее частая причина – это износ сайлентблоков, которые обеспечивают амортизацию и стабильность верхнего рычага. Если сайлентблоки теряют свою упругость и начинают разрываться, это приводит к увеличению люфта в соединениях, что и вызывает «гуляние» рычага. Износ может быть вызван как длительной эксплуатацией, так и попаданием воды и грязи в область крепления, что ускоряет процесс разрушения резины.
Второй важной причиной является повреждение самого рычага подвески. Механические повреждения, такие как коррозия, сколы или деформация, могут привести к нарушению нормальной работы рычага. Эти дефекты не всегда видны на первый взгляд, но даже минимальная деформация может спровоцировать нестабильную работу подвески.
Третья причина – это неправильная регулировка подвески или некорректная установка деталей при замене. Неверная установка или использование неоригинальных компонентов, которые не соответствуют техническим требованиям, также может стать причиной гуляния рычага. В таких случаях конструкция подвески теряет свою жесткость, и возникают посторонние шумы, а также проблемы с управляемостью.
Чтобы предотвратить возникновение этого дефекта, необходимо своевременно проверять и обслуживать компоненты подвески, используя только качественные запчасти. Также стоит регулярно проверять геометрию подвески и следить за состоянием всех соединений, чтобы избежать неприятных последствий для безопасности автомобиля.
Износ шаровых опор и его влияние на подвеску

При износе шаровых опор возникают следующие проблемы: увеличивается ход рычага подвески, появляется посторонний стук при движении по неровным дорогам и, как следствие, ухудшается сцепление с дорогой. При интенсивном износе шаровых опор колесо может стать нестабильным, что особенно опасно при резких маневрах и на высокой скорости.
Основными признаками износа шаровых опор являются: стуки и скрипы в области подвески, заметное ухудшение устойчивости автомобиля при поворотах и на неровных участках дороги. Также при износе опоры может возникнуть неравномерный износ шин, что сигнализирует о нарушении геометрии подвески.
Для предотвращения таких проблем важно своевременно проводить диагностику и замену шаровых опор. Регулярная проверка подвески поможет избежать серьёзных поломок и восстановить нормальную работу подвески. Важно помнить, что замена шаровых опор должна производиться в комплекте с проверкой состояния других элементов подвески, чтобы исключить дополнительные нагрузки на новые компоненты.
Рекомендуется менять шаровые опоры через каждые 40-50 тысяч километров пробега, но этот срок может варьироваться в зависимости от условий эксплуатации автомобиля. Если автомобиль часто используется на плохих дорогах или в условиях активных нагрузок, периодичность замены должна быть сокращена.
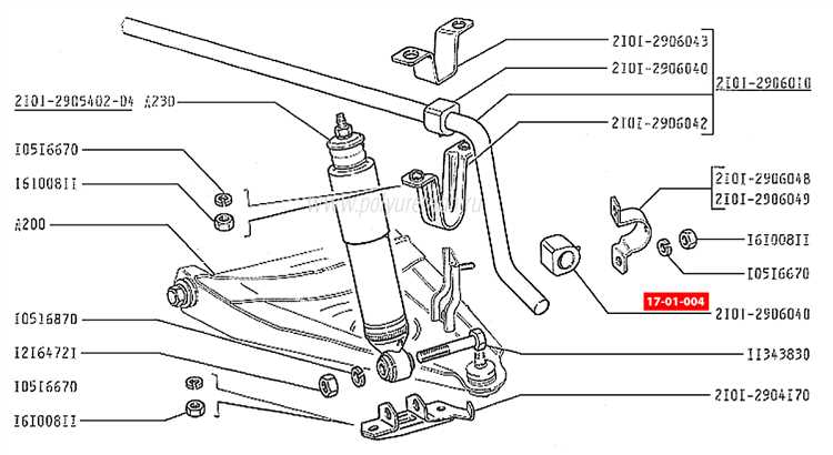
Проблемы с креплением верхнего рычага
Если крепежные элементы верхнего рычага не затянуты должным образом, это приводит к люфтам, что вызывает посторонние звуки и нестабильность подвески. Особенно часто это происходит из-за старения резинок втулок, которые теряют свою упругость и не могут должным образом фиксировать рычаг.
Неправильно установленный или поврежденный кронштейн крепления верхнего рычага также становится причиной его излишнего движения. В процессе эксплуатации кронштейн может деформироваться, что снижает точность работы подвески и усиливает нагрузку на остальные элементы.
Рекомендуется регулярно проверять состояние креплений и втулок. При обнаружении износа или деформации следует заменить поврежденные детали. Важно следить за правильностью затяжки крепежных элементов, используя моментный ключ, чтобы избежать их излишнего затягивания или, наоборот, недостаточной фиксации.
Также стоит учитывать, что при замене верхнего рычага важно использовать комплектующие, соответствующие оригиналу, чтобы избежать проблемы с совместимостью крепежных элементов и излишнего напряжения на компоненты подвески.
Неправильная регулировка углов установки колес

Неправильная регулировка углов установки колес на ВАЗ 2105 может стать причиной увеличенных нагрузок на подвеску, включая гуляние верхнего рычага. Эту проблему зачастую можно обнаружить при длительной эксплуатации автомобиля с неотрегулированными углами, что приводит к изменению поведения автомобиля на дороге.
Основные углы, которые влияют на поведение подвески:
- Кастер – угол наклона оси поворота колес относительно вертикали. Если кастер регулируется неправильно, это может повлиять на устойчивость и маневренность автомобиля, вызывая нестабильность подвески.
- Камбер – угол наклона колес относительно вертикали при взгляде сверху. Недостаточный или избыточный камбер ведет к неравномерному износу шин и изменяет характеристики подвески, что может вызвать люфт верхнего рычага.
- Схождение – угол, при котором колеса направлены друг к другу или от друг друга. Некорректное схождение приводит к повышенному износу шин и изменению нагрузки на подвеску, что вызывает дополнительные колебания и дефекты рычагов.
Неправильная регулировка этих углов может привести к следующим последствиям:
- Неправильное распределение нагрузки на подвеску, что вызывает усиленный износ деталей.
- Увеличение нагрузки на верхний рычаг, что приводит к его гулянию и преждевременному выходу из строя.
- Нестабильность в движении, особенно на высокой скорости или при маневрировании.
Рекомендации по регулировке углов:
- Проверьте состояние подвески и шин перед регулировкой углов установки колес.
- Используйте профессиональное оборудование для точной настройки углов, поскольку малейшие отклонения могут повлиять на безопасность и комфорт вождения.
- Регулярно проводите проверку углов после серьезных ударов или замен подвесных элементов, чтобы избежать негативных последствий.
Повреждение или деформация рычага

Основные признаки повреждения: наличие люфта в подвеске, необычные звуки при движении, особенно на неровностях, а также ухудшение устойчивости автомобиля на дорогах с различными покрытиями. Деформация рычага может быть визуально заметна, если на его поверхности есть следы изгиба или трещины.
Если рычаг был подвержен сильному удару или деформации, важно проверить не только его целостность, но и состояние сопредельных элементов подвески. Например, стойки стабилизатора и шаровые опоры могут получить повреждения в результате воздействия на рычаг.
Рекомендации по проверке и замене: для точной диагностики состояния рычага следует снять колесо и осмотреть подвеску в области крепления рычага. Если выявлены даже незначительные трещины или изгибы, рычаг подлежит замене. Игнорирование этой проблемы может привести к быстрому износу других элементов подвески и нарушению безопасности.
Важно: при замене рычага следует использовать только оригинальные детали или качественные аналоги, соответствующие стандартам ВАЗ 2105. Некорректная установка или использование деталей сомнительного качества может привести к преждевременному выходу из строя всей подвески.
Использование неоригинальных запчастей

Неоригинальные запчасти для ВАЗ 2105 часто используются как более доступная альтернатива оригинальным, однако они могут стать причиной многих проблем, включая «гуляние» верхнего рычага подвески. Это явление связано с различиями в качестве и характеристиках материалов, используемых в производстве таких запчастей.
Один из основных факторов, влияющих на работу подвески, – это точность изготовления и геометрия деталей. Неоригинальные рычаги подвески могут иметь погрешности в размере и форме, что приводит к изменению углов установки и нагрузки на другие компоненты. Даже минимальные отклонения могут вызвать излишнее растяжение или износ рычага, а также ухудшить стабильность работы подвески.
Материалы, используемые в производстве неоригинальных запчастей, зачастую уступают по прочности и долговечности оригинальным. Например, дешевые рычаги могут быть выполнены из металлов, не обладающих необходимой сопротивляемостью к коррозии, что ускоряет их износ. В результате детали теряют свои эксплуатационные характеристики, что также способствует появлению люфта и раскачиванию подвески.
Важно учитывать, что неоригинальные запчасти могут не учитывать особенности работы подвески на конкретной модели автомобиля. Например, измененная жесткость или упругость материалов может повлиять на амортизацию и стабильность автомобиля на дороге, что также может быть причиной «гуляния» рычага.
Для предотвращения подобных проблем важно тщательно выбирать неоригинальные запчасти. Лучше всего отдавать предпочтение товарам от известных производителей, которые зарекомендовали себя на рынке. Не стоит экономить на компонентах, влияющих на безопасность и управляемость автомобиля. При установке неоригинальных рычагов важно следить за их точностью и качеством, а также регулярно проверять состояние подвески.
Состояние амортизаторов и их влияние на работу подвески
Когда амортизаторы теряют свою эффективность, то передняя и задняя подвеска начинает работать некорректно, вызывая излишние колебания, что может привести к «гулянию» верхнего рычага. В результате увеличивается нагрузка на элементы подвески, что может привести к преждевременному износу шаровых опор и сайлент-блоков. Амортизаторы, не выполняющие свою функцию, ухудшают сцепление колес с дорогой, снижая безопасность вождения.
Один из ярких признаков изношенных амортизаторов – это увеличение тормозного пути. При резком торможении амортизаторы не успевают эффективно нейтрализовать движение кузова, что приводит к повышенному давлению на переднюю ось и деформации подвески. В результате рычаги подвески начинают работать не так, как должны, что способствует излишним движениям и «гулянию» верхнего рычага.
Для предотвращения этих проблем важно регулярно проверять амортизаторы на наличие утечек масла, износа пыльников и корректную работу демпфирования. В случае обнаружения дефектов необходимо своевременно заменять амортизаторы. Это поможет сохранить нормальную работу подвески и предотвратить дополнительные поломки, связанные с перегрузками на других элементах подвески.
Рекомендуется проводить диагностику амортизаторов хотя бы раз в год или при появлении первых признаков неисправности. Признаки износа могут включать: стуки и посторонние шумы при движении, ухудшение плавности хода, неравномерный износ шин. Для автомобилей ВАЗ 2105 стоит выбирать амортизаторы, соответствующие оригинальным параметрам или проверенным аналогам, чтобы обеспечить их долгосрочную работу и сохранить геометрические характеристики подвески.
Вопрос-ответ:
Что может стать причиной гуляния верхнего рычага подвески на ВАЗ 2105?
Причин гуляния верхнего рычага подвески может быть несколько. Одна из самых распространенных — износ шаровой опоры или сайлентблоков. Когда эти элементы теряют свою упругость и стабильность, рычаг начинает люфтить, что вызывает характерные посторонние звуки и ухудшает управляемость. Также возможны проблемы с креплением рычага к кузову или подвеске, когда болты или гайки ослабляются из-за вибрации или плохой установки.
Как выявить, что верхний рычаг подвески на ВАЗ 2105 требует замены?
Признаки, которые указывают на необходимость замены верхнего рычага подвески, включают стуки или посторонние шумы при движении, особенно на неровной дороге, ухудшение управляемости автомобиля, а также повышенный износ шин, который может быть вызван нарушением геометрии подвески. Проверить рычаг можно, поднимая автомобиль и осматривая элементы подвески на наличие люфтов и повреждений.
Можно ли устранить гуляние верхнего рычага подвески ВАЗ 2105 самостоятельно?
Да, устранить гуляние верхнего рычага можно самостоятельно, если у вас есть опыт работы с автомобилем и необходимый инструмент. Нужно будет осмотреть все элементы подвески, заменить поврежденные или изношенные детали, такие как шаровые опоры, сайлентблоки или болты крепления рычага. Важно соблюдать правильную последовательность работ и точно затягивать крепежи, чтобы избежать повторных проблем. Однако, если у вас нет опыта, лучше обратиться в сервис для диагностики и замены поврежденных деталей.
Как влияет гуляние верхнего рычага подвески на безопасность автомобиля?
Гуляние верхнего рычага подвески может значительно ухудшить управление автомобилем, особенно при движении на высокой скорости или на неровной дороге. Это увеличивает риск потери контроля над автомобилем, что может привести к аварийным ситуациям. Кроме того, если проблема не будет решена вовремя, может произойти поломка других важных элементов подвески, что также повлияет на безопасность.
Какие детали подвески на ВАЗ 2105 чаще всего выходят из строя и могут привести к гулянию верхнего рычага?
На ВАЗ 2105 причиной гуляния верхнего рычага чаще всего становятся изношенные шаровые опоры и сайлентблоки. Шаровые опоры отвечают за соединение рычага с кузовом и при их износе появляются люфты, которые и приводят к гулянию рычага. Сайлентблоки, в свою очередь, могут терять свою форму и упругость, что также способствует возникновению люфтов и нестабильности. Важно следить за состоянием этих компонентов, чтобы предотвратить дальнейшее повреждение подвески.
