
Подключение тахографа на грузовики КамАЗ – важный процесс, требующий внимательности и точности, чтобы обеспечить правильную работу устройства и соблюдение требований законодательства. Тахограф является обязательным элементом на всех транспортных средствах, осуществляющих перевозки, и его подключение необходимо выполнить с учетом технических характеристик машины и специфики работы устройства.
В первую очередь, важно правильно выбрать место для установки тахографа. Обычно устройство размещают в кабине водителя, в пределах видимости, чтобы обеспечить легкий доступ для настройки и считывания данных. Для КамАЗов популярными являются тахографы с цифровыми и аналоговыми датчиками, которые подключаются к бортовой сети через специальный разъем, обеспечивая передачу данных о времени в пути, скорости, а также продолжительности отдыха водителя.
Основная схема подключения тахографа к КамАЗу включает несколько ключевых этапов. Сначала необходимо подключить питание устройства. Обычно тахограф работает от бортовой сети автомобиля (24 В), при этом важно правильно подключить питание к соответствующему разъему. Также требуется подключение тахографа к системе сигнала скорости, который получает информацию от датчика скорости, установленного на колесе или трансмиссии. После этого подключают датчик оборотов двигателя для контроля работы транспортного средства в зависимости от нагрузки.
Важно учитывать, что неправильное подключение тахографа может привести к сбоям в его работе, штрафам и даже непригодности устройства для эксплуатации. Перед установкой тахографа рекомендуется внимательно изучить руководство и схемы подключения, предоставляемые производителем устройства и автомобиля. Особое внимание стоит уделить заземлению системы и проверке надежности всех соединений для обеспечения бесперебойной работы тахографа в любых условиях.
Также не стоит забывать о необходимости регулярного технического обслуживания и калибровки тахографа, чтобы избежать ошибок в показаниях и возможных штрафов за нарушения правил учета времени.
Подготовка к установке тахографа на КамАЗ

Перед установкой тахографа на КамАЗ необходимо провести несколько обязательных этапов подготовки. Прежде всего, следует ознакомиться с техническими характеристиками тахографа, который планируется установить, и убедиться в его совместимости с моделью автомобиля. Для этого важно учитывать тип и модель тахографа, его возможности (аналоговый или цифровой), а также требования законодательства, регулирующего использование тахографов в транспортных средствах.
Необходима проверка места для монтажа устройства. Тахограф обычно устанавливается в кабину водителя, в место, где его будет удобно использовать и обслуживать. Важно удостовериться, что на панели приборов есть свободное пространство для установки устройства, а также предусмотреть места для подключения всех необходимых проводов.
Заранее нужно подготовить инструменты и комплектующие для установки тахографа. В базовый комплект должны входить монтажные элементы, такие как крепежи, штекеры и провода, соответствующие типу тахографа. Также рекомендуется проверить наличие аккумулятора для тахографа, если это требуется для его функционирования в автомобиле.
Перед подключением тахографа рекомендуется провести диагностику бортовой сети КамАЗа. Нужно проверить работоспособность генератора, аккумуляторов, а также наличие необходимых разъемов для подключения устройства. Особое внимание стоит уделить электрической системе автомобиля, чтобы избежать сбоев в работе тахографа из-за перепадов напряжения или нестабильного тока.
Также важно учесть правила и требования по калибровке тахографа. Установка должна быть выполнена квалифицированным специалистом, поскольку тахограф требует правильной настройки и проверки его функционирования. Калибровка должна соответствовать нормативам, установленным законодательством.
После установки тахографа потребуется его регистрация в органах контроля, что обеспечит законность использования устройства на дорогах. Не забывайте о проведении первого технического осмотра и последующих проверок в установленные сроки для соблюдения требований безопасности и законодательства.
Выбор места для установки тахографа на КамАЗ

При выборе места для установки тахографа на КамАЗ необходимо учитывать несколько факторов, которые влияют на корректную работу устройства и соблюдение всех нормативных требований. Тахограф должен быть установлен таким образом, чтобы обеспечивать удобный доступ водителю и минимизировать помехи для других систем транспортного средства.
Оптимальное место для монтажа тахографа – это приборная панель или участок, находящийся рядом с водительским местом. Он должен быть расположен так, чтобы водитель мог без труда считывать данные и управлять устройством, не отвлекаясь от дороги. На КамАЗах часто используют центральную консоль или панель рядом с рулевой колонкой.
Расположение тахографа должно исключать попадание на устройство прямых солнечных лучей, что предотвращает перегрев и сбои в работе. Также стоит учесть, что тахограф не должен быть установлен рядом с источниками сильных вибраций, такими как двигатель или системы, генерирующие электромагнитные помехи. Это позволяет избежать возможных повреждений и искажений данных.
Кроме того, установка тахографа требует соблюдения норм по безопасности. При монтаже устройства нужно учитывать, что тахограф должен быть защищен от возможных механических повреждений. Рекомендуется устанавливать его в выемку или на специально предусмотренные для этого крепления, чтобы исключить его случайное смещение или повреждение при движении автомобиля.
Не менее важным аспектом является обеспечение удобства для технического обслуживания устройства. Тахограф должен быть доступен для проверки и замены карт, а также для подключения диагностического оборудования при необходимости. Для этого нужно выбирать место, обеспечивающее достаточно свободного пространства для обслуживания устройства.
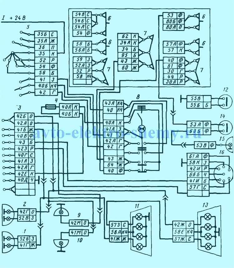
Подключение тахографа к бортовой сети КамАЗ

Для правильной установки тахографа на КамАЗ необходимо учитывать особенности бортовой сети автомобиля. Подключение производится через штатные разъемы и электрические соединения, обеспечивая стабильную работу устройства.
Тахограф подключается к бортовой сети через 24-вольтовую электрическую цепь, которая обеспечивает его питание. Необходимо использовать разъемы, предназначенные для подключения устройств с таким напряжением. Для правильного функционирования тахографа подключение должно быть выполнено через стабильное и защищенное электрическое соединение.
Шаг 1. Подключение питания
Тахограф подключается к источнику питания через клемму «плюс» и «минус» бортовой сети. Важно учитывать, что напряжение на контактных точках должно быть стабильным и соответствовать параметрам устройства (24 В). Для защиты от возможных коротких замыканий рекомендуется использовать предохранитель, соответствующий мощности тахографа.
Шаг 2. Подключение канала связи
Для взаимодействия тахографа с другими системами автомобиля, такими как CAN-шина, требуется подключение через специальные разъемы. Эти разъемы обеспечивают передачу данных от тахографа к бортовому компьютеру, что позволяет отслеживать информацию о движении, времени и других параметрах. Обратите внимание, что CAN-шина КамАЗ имеет определенные особенности, поэтому для подключения тахографа необходимо использовать разъемы, поддерживающие этот стандарт.
Шаг 3. Калибровка и настройка
После подключения тахографа к бортовой сети необходимо провести его настройку. Это включает в себя проверку корректности подключения, калибровку устройства с учетом характеристик автомобиля и настройку параметров передачи данных. Рекомендуется использовать сертифицированные инструменты и программное обеспечение для проведения этих процедур.
Шаг 4. Проверка работы тахографа
После завершения монтажа и настройки тахографа важно провести тестирование его работы. Проверьте, что данные правильно считываются и передаются в систему, а также убедитесь в корректности отображения показателей на экране устройства.
Подключение тахографа к бортовой сети КамАЗ требует точности и внимательности, особенно при выборе места подключения и правильном соблюдении всех электрических норм. Несоответствие требованиям может привести к некорректной работе устройства или даже повреждению электрооборудования.
Порядок подключения датчика скорости на КамАЗ
Подключение датчика скорости на КамАЗ требует точности и соблюдения всех технических требований для правильной работы тахографа. Основные этапы подключения:
1. Определение места установки. Датчик скорости устанавливается на карданный вал или непосредственно на коробку передач. Убедитесь, что выбранное место обеспечивает надежный контакт с механической частью и не влияет на работу других систем.
2. Подключение электропитания. Для питания датчика используется проводка от блока управления тахографом. Проводка должна быть защищена от внешних повреждений и корректно заизолирована. Подключение осуществляется через зажимы или клеммы, учитывая полярность.
3. Проверка подключения сигнального провода. Сигнальный провод датчика скорости подсоединяется к тахографу. Для точности работы устройства важно использовать правильный провод для передачи импульсов. На тахографе должна быть проверена соответствующая клемма для подключения сигнала.
4. Калибровка. После подключения датчика необходимо выполнить калибровку тахографа. Для этого на КамАЗе необходимо проехать определенную дистанцию, чтобы убедиться в правильности показаний скорости. Калибровка проводится с использованием специального оборудования и соблюдением заводских инструкций.
5. Проверка работы системы. После подключения и калибровки следует проверить работу датчика скорости в различных режимах. Для этого на КамАЗе выполняется движение на разных скоростях, и показы тахографа сверяются с показаниями датчика.
Неверное подключение или настройка датчика скорости может привести к неточным данным на тахографе, что, в свою очередь, повлияет на правильность учета времени и пробега. Поэтому важно соблюдать все этапы подключения и настройки устройства.
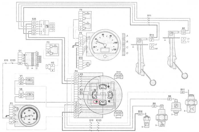
Проверка корректности работы тахографа после установки

После установки тахографа на КамАЗ важно провести проверку его работы для обеспечения точности и правильности измерений. Процесс проверки включает несколько ключевых этапов, которые помогут избежать ошибок в дальнейшем использовании устройства.
- Проверка подключения: Убедитесь, что тахограф правильно подключен к электросистеме автомобиля. Проверьте наличие напряжения на питающих проводах устройства и исправность соединений. Напряжение должно быть стабильным, соответствующим стандартам устройства.
- Проверка сенсоров скорости: Проверьте подключение сенсора скорости к тахографу. Он должен точно передавать данные о скорости движения. Для этого можно провести тестовую поездку, фиксируя показания устройства и сравнивая их с показаниями спидометра КамАЗа.
- Тестирование записи данных: Проведите проверку записи данных о времени в пути, скорости, расстоянии. Для этого включите тахограф, отправьтесь в поездку и затем проверьте полученные данные на устройстве. Все параметры должны быть точными и соответствовать фактическим условиям движения.
- Проверка работы карточки водителя: Вставьте карту водителя в тахограф и проверьте корректность записи данных о времени работы, перерывах и продолжительности смены. При этом важно убедиться, что тахограф регистрирует все данные без ошибок.
- Проверка актуальности прошивки: Обновите прошивку тахографа, если это необходимо. Устаревшая версия прошивки может привести к некорректной работе устройства. Следите за актуальными версиями программного обеспечения, выпущенными производителем устройства.
- Проверка сигнала GPS: Убедитесь, что тахограф корректно получает сигнал GPS, необходимый для записи точных данных о местоположении и скорости. Проводите тесты на открытых участках, где сигнал должен быть стабилен.
Для полноценной проверки рекомендуется проводить все тесты в условиях реальной эксплуатации. Это позволит выявить потенциальные проблемы и убедиться в правильной настройке тахографа на КамАЗ.
Ремонт и обслуживание тахографа на КамАЗ

1. Регулярная проверка тахографа
- Проверка состояния оборудования должна проводиться не реже одного раза в месяц.
- Особое внимание стоит уделить исправности индикаторов и дисплея устройства.
- Проверяйте подключение проводов, контакты и заземление устройства.
- Проводите тестирование функционала тахографа, включая запись данных на карту водителя.
2. Замена карт водителя
- Карта водителя должна заменяться каждые 3-5 лет в зависимости от эксплуатации устройства.
- В случае повреждения карты или утраты данных необходимо получить новую карту у официального поставщика.
- После замены карты убедитесь, что тахограф правильно считывает информацию с новой карты.
3. Калибровка тахографа
- Калибровка устройства должна проводиться после каждого ремонта или замены основных элементов.
- Регулярная калибровка поможет поддерживать точность показаний тахографа, что важно для соблюдения норм и правил эксплуатации.
- Для калибровки используйте только проверенные сервисные центры с необходимыми лицензиями.
4. Замена расходных материалов
- Регулярно меняйте термопленку и другие расходные материалы, влияющие на работу устройства.
- Используйте только оригинальные комплектующие для замены, чтобы избежать неисправностей из-за несовместимых деталей.
5. Устранение неисправностей
- Если тахограф не отображает данные, проверьте кабельное соединение и блок питания.
- При отсутствии записи на карте водителя проверьте её состояние и проведите повторную настройку устройства.
- Если тахограф не включается, следует проверить предохранители и подключение питания устройства.
- Неисправности, которые невозможно устранить самостоятельно, требуют обращения в сервисный центр с лицензией для работы с тахографами.
6. Обслуживание в специализированных сервисах
- Ремонт тахографов лучше всего выполнять в сертифицированных центрах, где есть соответствующее оборудование и квалифицированные специалисты.
- Регулярное техническое обслуживание у профессионалов поможет продлить срок службы устройства.
- Запросите у сервиса документы, подтверждающие квалификацию работников и использование оригинальных запчастей.
Вопрос-ответ:
Какие компоненты нужны для подключения тахографа на КамАЗ?
Для подключения тахографа на КамАЗ потребуются следующие компоненты: сам тахограф, датчик скорости, кабель для подключения к бортовой сети, а также антенна для GPS-сигнала. Дополнительно могут понадобиться переходники или адаптеры для стыковки с разъемами автомобиля. Все элементы должны соответствовать стандартам, чтобы обеспечить корректную работу устройства.
Как правильно подключить тахограф на КамАЗ своими силами?
Для подключения тахографа на КамАЗ следует подключить его к бортовой сети автомобиля, обеспечив питание от аккумулятора через стабилизатор. После этого нужно подключить датчик скорости к тахографу, который будет отслеживать данные о скорости автомобиля. Затем подключается антенна для приема GPS-сигнала, что необходимо для фиксации местоположения машины. Важно соблюдать полярность при подключении проводов и следить за правильной настройкой всех компонентов.
Как настроить тахограф на КамАЗ после подключения?
После подключения тахографа необходимо выполнить его настройку. Для этого нужно войти в меню устройства, указав параметры транспортного средства, такие как номер машины и водительские данные. Далее можно настроить режим работы, в зависимости от типа работы (например, междугородние или местные перевозки). Также следует проверить корректность отображения данных на экране устройства и его связь с GPS. В некоторых моделях тахографов также нужно задать параметры для карт водителей и корректно прописать информацию о маршруте.
Как часто нужно проверять исправность тахографа на КамАЗ?
Тахограф необходимо проверять регулярно, как минимум раз в полгода. Проверки включают проверку правильности работы устройства, наличие актуальных данных и настройку карты водителя. Также важно удостовериться в исправности датчика скорости и антенны, поскольку они играют ключевую роль в точности показаний тахографа. Регулярная диагностика помогает предотвратить поломки и нарушения работы устройства.
Что делать, если тахограф на КамАЗе не работает после подключения?
Если тахограф не работает после подключения, первым делом нужно проверить правильность подключения всех проводов. Особое внимание стоит уделить подключениям к источнику питания и датчику скорости. Также стоит убедиться, что тахограф правильно синхронизирован с GPS-антенной. Если все подключения верны, но устройство не работает, возможно, потребуется сброс настроек или обновление программного обеспечения тахографа. Если проблема сохраняется, лучше обратиться к специалисту для диагностики и устранения неисправности.
