
Сцепление на автомобилях КАМАЗ выполняет ключевую роль в передаче мощности от двигателя к трансмиссии, обеспечивая плавный запуск и смену передач. В отличие от легковых автомобилей, на грузовых моделях КАМАЗ сцепление рассчитано на более высокие нагрузки, что требует особого подхода в конструкции и работе этой системы. Основным элементом сцепления является диск, который при включении соединяет маховик двигателя и ведущий вал коробки передач.
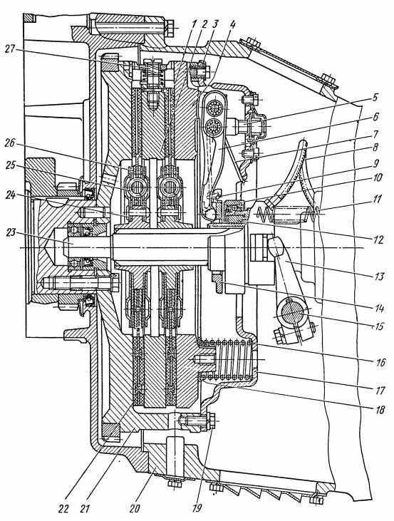
Основной рабочий механизм сцепления на КАМАЗе включает в себя главный цилиндр, нажимной диск, ведомый диск и выжимной подшипник. Нажимной диск, благодаря системе пружин, обеспечивает плотное прижатие ведомого диска к маховику. Это соединение позволяет передавать вращение от двигателя к трансмиссии. Когда водитель нажимает на педаль сцепления, выжимной подшипник разжимает нажимной диск, тем самым разрывая соединение между двигателем и коробкой передач, что позволяет сменить передачу или полностью остановить машину без перегрузки двигателя.
Технические особенности сцепления КАМАЗов связаны с высокой износостойкостью и надежностью при эксплуатации в тяжелых условиях. Важно регулярно проверять состояние сцепления, особенно в условиях интенсивных нагрузок, таких как частые старты в условиях перегрузки. Использование сцепления с высокой степенью износа может привести к ухудшению сцепления с маховиком и, как следствие, к ухудшению динамики и безопасности транспортного средства. Рекомендуется выполнять замену сцепления по регламенту производителя, а также проводить диагностику на предмет износа дисков и пружин.
Учитывая важность сцепления для общего состояния автомобиля, стоит обращать внимание на возможные признаки неисправностей, такие как рывки при трогании с места или трудности при переключении передач. В этих случаях рекомендуется обратиться в сервис для своевременной диагностики и ремонта системы сцепления, что поможет избежать более серьезных поломок.
Как работает сцепление на КАМАЗе в условиях нагрузки

Сцепление на КАМАЗе выполняет ключевую функцию передачи крутящего момента от двигателя к трансмиссии, особенно в условиях повышенной нагрузки. При этом, нагрузочные характеристики сцепления зависят от ряда факторов, таких как тип сцепления, его конструкция и состояние компонентов.
Когда транспортное средство работает в тяжелых условиях, например, при буксировке тяжёлых грузов или движении в гору, сцепление подвергается дополнительному стрессу. Важно понимать, как система адаптируется к таким условиям:
- Механизм сцепления состоит из нескольких важных компонентов: нажимного диска, диска сцепления, маховика и подшипника выжимного. Эти элементы работают синхронно для обеспечения плавного включения и выключения передачи.
- Нагрузка на сцепление увеличивается в случае длительного буксирования или агрессивного старта. Это приводит к более быстрому износу фрикционных накладок, что требует частой замены.
- Тепловая нагрузка на сцепление нарастает при интенсивной работе двигателя и трансмиссии. Чрезмерное перегревание приводит к выгоранию накладок сцепления и снижению коэффициента трения.
- Выбор сцепления для эксплуатации в условиях повышенной нагрузки должен учитывать такие параметры, как грузоподъемность, тип трансмиссии и особенности вождения (например, частые остановки и старты, движение по бездорожью).
Для предотвращения перегрева сцепления и повышения его износостойкости важно соблюдать следующие рекомендации:
- Регулярная проверка состояния компонентов сцепления. Обратить внимание на возможные признаки износа фрикционных материалов или утечку рабочей жидкости.
- Использование сцепления только в пределах его номинальной нагрузки. Перегрузка транспортного средства способствует быстрому износу сцепления.
- Мониторинг температуры трансмиссии и сцепления. Для этого можно использовать специальные датчики температуры, что позволит избежать перегрева и преждевременного выхода из строя.
В условиях эксплуатации, где нагрузка на сцепление постоянная, важно использовать сцепление с более высоким ресурсом и усиленными элементами, которые могут справляться с высокими температурами и нагрузками. Качество сцепления напрямую влияет на безопасность и эффективность работы КАМАЗа в тяжелых условиях.
Роль выжимного подшипника в системе сцепления КАМАЗ
Выжимной подшипник на КАМАЗе выполняет ключевую функцию в механизме сцепления, обеспечивая необходимое усилие для разъединения сцепления при переключении передач. Подшипник взаимодействует с корзиной сцепления, позволяя водителю плавно отпустить сцепление и избежать излишнего износа других элементов трансмиссии.
Когда водитель нажимает на педаль сцепления, выжимной подшипник прижимается к пружинам корзины сцепления, что освобождает сцепление и позволяет переключать передачи без сдвига или повреждения сцепляющихся поверхностей. Этот процесс должен происходить без заеданий или скрипов, что требует высокой точности подшипника и его качественного обслуживания.
Для системы сцепления КАМАЗ важен не только выбор качественного выжимного подшипника, но и регулярная проверка его состояния. Износ или неисправности подшипника могут привести к ненадежной работе сцепления, а в худшем случае – к поломке всего механизма. Особое внимание следует уделить смазке подшипника, поскольку ее дефицит или загрязнение может вызвать перегрев и ускоренный износ.
Важной рекомендацией является замена выжимного подшипника при каждом капитальном ремонте сцепления или при значительных пробегах. Использование оригинальных комплектующих и соблюдение сроков замены значительно увеличивает срок службы всей системы сцепления.
Также стоит учитывать, что неправильная регулировка выжимного подшипника может привести к его преждевременному износу. Поэтому при установке нового подшипника важно соблюдать точные параметры натяжения и усилия на корзину сцепления, чтобы избежать механических повреждений.
Типы сцеплений, используемых на моделях КАМАЗ
На грузовых автомобилях КАМАЗ используются различные типы сцеплений в зависимости от модели и назначения транспортного средства. Основные типы включают механические, пневматические и гидравлические сцепления, которые обеспечивают надежную работу трансмиссии и повышают эффективность управления автомобилем.
Механические сцепления широко используются на старых моделях КАМАЗ, таких как КАМАЗ-5320 и КАМАЗ-5410. Они обладают высокой износостойкостью и хорошими рабочими характеристиками при правильной эксплуатации. Эти сцепления требуют регулярного обслуживания, включая замену ведомого диска и регулировку натяжения пружин.
Пневматические сцепления, характерные для современных моделей, таких как КАМАЗ-6520 и КАМАЗ-6540, позволяют значительно упростить управление автомобилем, особенно в условиях перегрузок и сложных дорожных условиях. Пневматическая система позволяет более точно и плавно соединять и разъединять сцепление с помощью сжатого воздуха, что снижает нагрузку на водителя и увеличивает срок службы компонентов.
Гидравлические сцепления используются на некоторых моделях с автоматизированной коробкой передач, например, на КАМАЗ-5490. Они обеспечивают более стабильную и точную работу сцепления за счет применения гидравлической жидкости, что улучшает взаимодействие между компонентами системы. Гидравлические сцепления повышают комфорт водителя и снижают вероятность перегрева и износа элементов сцепления.
Для обеспечения долговечности и максимальной эффективности сцеплений на моделях КАМАЗ рекомендуется следить за уровнем жидкости в пневматической и гидравлической системах, регулярно проверять состояние дисков сцепления и при необходимости заменять их. Важно также проводить настройку системы сцепления в зависимости от условий эксплуатации транспортного средства.
Как выбрать сцепление для КАМАЗ в зависимости от типа эксплуатации
Выбор сцепления для КАМАЗ зависит от множества факторов, включая интенсивность работы, нагрузку и условия эксплуатации. Разные типы сцеплений предназначены для различных условий работы, поэтому важно учитывать несколько ключевых моментов.
Для работы в городских условиях, где требуется частая остановка и старт, рекомендуется выбирать сцепления с высокой степенью сцепления и износостойкости. Идеальными являются сцепления с адаптированными пружинами и увеличенным ресурсом. Также стоит обратить внимание на сцепления с улучшенными демпферами, которые помогут снизить ударные нагрузки на трансмиссию при переключении передач.
При эксплуатации в условиях тяжелых дорог, например, на строительных или карьерных работах, стоит выбирать сцепления с усиленным нажимным диском и увеличенным диаметром. Такие сцепления способны выдерживать более высокие нагрузки, сохраняя при этом рабочие характеристики в экстремальных условиях.
Для эксплуатации на длинных маршрутах или при перевозке тяжелых грузов, оптимальным выбором будет сцепление с улучшенной теплоотводной способностью. Тепло от перегрева сцепления может повлиять на его срок службы, поэтому важно учитывать тип фрикционного материала и конструкцию диска сцепления.
Для транспортных средств, работающих в условиях переменного климата, рекомендуется выбирать сцепления с устойчивыми к перепадам температур материалами. Это обеспечит стабильную работу сцепления в условиях зимних и летних температур, снижая вероятность деформации компонентов.
При выборе сцепления следует также учитывать его ресурс и стоимость обслуживания. Важно, чтобы сцепление было не только эффективным, но и экономичным в обслуживании, что особенно актуально при эксплуатации автотранспорта в условиях высокой интенсивности.
Частые неисправности сцепления КАМАЗ и способы их диагностики
1. Проблемы с выжимным подшипником
Часто встречается износ или заклинивание выжимного подшипника, что вызывает шумы при нажатии на педаль сцепления, а также неравномерную работу сцепления. Для диагностики необходимо:
- Проверить наличие посторонних звуков при отпускании педали сцепления.
- Оценить состояние подшипника при снятии коробки передач.
- При необходимости заменить подшипник на новый, чтобы избежать перегрева и дополнительных повреждений трансмиссии.
2. Износ сцепления
Основным признаком износа диска сцепления является ухудшение передачи крутящего момента, что приводит к рывкам при трогании с места или пробуксовке. Чтобы выявить неисправность, следует:
- Проверить педаль сцепления на наличие скольжения.
- Оценить степень износа фрикционных накладок при разборке сцепления.
- Проверить сцепление на тяговое усилие при движении на подъеме.
3. Неисправности рабочего цилиндра сцепления
Если сцепление плохо включается или происходит потеря давления в системе, причиной может быть неисправность рабочего цилиндра. Диагностика включает:
- Проверку уровня жидкости в гидроприводе сцепления.
- Поиск утечек жидкости вокруг цилиндра.
- Проверку на наличие воздушных пузырьков в системе.
4. Проблемы с ведомым диском сцепления
Неравномерное включение сцепления или заедание педали часто связано с деформацией ведомого диска. Для диагностики нужно:
- Проверить наличие трещин или повреждений на поверхности диска.
- Провести проверку на отсутствие смещения диска относительно его оси.
- Проверить балансировку диска при установке.
5. Износ пружин сцепления
Износ пружин корзины сцепления приводит к тому, что сцепление не отходит полностью или не включается корректно. Для диагностики:
- Провести осмотр пружин на наличие трещин и повреждений.
- Проверить жесткость пружин с помощью специального инструмента.
6. Перегрев сцепления
Перегрев сцепления может возникнуть при длительном буксовании или неправильной настройке механизма. Признаки перегрева включают запах гари и повышенный износ деталей. Для диагностики:
- Проверить температуру в трансмиссионной системе.
- Оценить состояние фрикционных материалов на предмет их разрушения.
Регулярная проверка и диагностика системы сцепления на КАМАЗе позволяет значительно продлить срок службы компонентов и избежать серьезных поломок в будущем.
Влияние состояния сцепления на расход топлива и динамику движения КАМАЗ

Состояние сцепления оказывает непосредственное влияние на расход топлива и динамику движения грузовика КАМАЗ. В частности, неисправности в системе сцепления, такие как износ дисков или неполное сцепление, могут вызвать значительные изменения в работе двигателя и трансмиссии, что приводит к увеличению расхода топлива и ухудшению динамических характеристик транспортного средства.
Изношенное сцепление или проблемы с его регулировкой приводят к тому, что двигатель работает менее эффективно, требуя большего количества топлива для достижения требуемой мощности. Это происходит из-за неравномерного сцепления, когда часть энергии двигателя расходуется на пробуксовку, а не на движение автомобиля.
Некоторые из наиболее заметных последствий включают:
- Увеличение расхода топлива: при плохом сцеплении двигатель должен работать с повышенной нагрузкой, что увеличивает топливные затраты на преодоление одной и той же дистанции.
- Потеря мощности: ухудшение сцепления снижает эффективность передачи мощности от двигателя к колесам, что затрудняет разгон и ведет к падению общей динамики.
- Износ трансмиссии: при слабом или частичном сцеплении нагрузка на трансмиссию увеличивается, что может привести к преждевременному износу элементов коробки передач и других компонентов.
- Перегрев сцепления: длительная эксплуатация с неисправным сцеплением может привести к перегреву, что в свою очередь вызовет необходимость в дорогостоящем ремонте.
Рекомендуется регулярно проверять и поддерживать сцепление в исправном состоянии, чтобы предотвратить негативные последствия для расхода топлива и динамики движения. Особое внимание следует уделять:
- Регулярному осмотру и замене выжимного подшипника, дисков сцепления и корзины. Эти элементы подвергаются наибольшим нагрузкам, и их износ напрямую влияет на работу сцепления.
- Корректной регулировке сцепления. Это обеспечит стабильное и полное сцепление, предотвращая потерю мощности и перегрев.
- Мониторингу состояния жидкости в гидравлической системе сцепления. Недостаток жидкости или загрязнение могут привести к сбоям в работе сцепления.
Контроль состояния сцепления – это важный аспект поддержания экономичности и эффективности работы КАМАЗа, что в свою очередь позволяет снизить эксплуатационные расходы и увеличить срок службы автомобиля.
Как правильно проводить обслуживание и замену сцепления на КАМАЗ

Обслуживание и замена сцепления на КАМАЗе требует внимательности и точности. Этот процесс включает несколько важных этапов, которые должны быть выполнены согласно регламенту для обеспечения надежности работы трансмиссии.
Плановое обслуживание сцепления необходимо проводить через каждые 100 000 км пробега или по состоянию комплектующих. Основные моменты обслуживания заключаются в проверке состояния корзины сцепления, диска сцепления и подшипника выжимного. Важно регулярно проверять уровень жидкости в системе сцепления, поскольку недостаток жидкости может привести к его неправильной работе и ускоренному износу компонентов.
Замена сцепления на КАМАЗе выполняется в случае износа или повреждения элементов. Перед заменой нужно тщательно осмотреть диск сцепления, корзину и подшипник. Если на поверхности диска сцепления появились глубокие царапины или следы перегрева, его необходимо заменить. В случае нарушения работы выжимного подшипника или корзины сцепления, их также следует заменить.
Процесс замены сцепления на КАМАЗе начинается с демонтажа старого комплекта. Для этого необходимо поднять автомобиль с помощью подъемника, отсоединить карданный вал, разобрать коробку передач и снять сцепление. При снятии важно соблюдать осторожность, чтобы не повредить компоненты трансмиссии.
Установка нового сцепления требует внимательности. Перед установкой нужно тщательно очистить рабочие поверхности и осмотреть новые детали на наличие дефектов. Установка сцепления производится с точным соблюдением указанных производителей интервалов. Важно правильно выровнять диск сцепления с маховиком, чтобы избежать дисбаланса и ненужных вибраций при эксплуатации.
Проверка работы сцепления после установки включает тестирование включения и выключения сцепления. При этом следует убедиться в отсутствии скрипа, вибраций и других посторонних шумов. Регулировка свободного хода педали сцепления также важна для обеспечения оптимальной работы. Свободный ход должен быть в пределах 15-30 мм.
При своевременном обслуживании и замене сцепления на КАМАЗе можно значительно повысить его эксплуатационный ресурс и избежать серьезных поломок трансмиссии в будущем.
Вопрос-ответ:
Как работает сцепление на КАМАЗе?
Сцепление на КАМАЗе выполняет роль соединения и разъединения двигателя с трансмиссией, что позволяет водителю управлять передачей крутящего момента на колеса. Когда сцепление выжато, оно разъединяет эти компоненты, что дает возможность переключать передачи. При отпускании сцепления оно соединяет двигатель и трансмиссию, передавая мощность на колеса. Это позволяет оптимально контролировать движение автомобиля и предотвращает его остановку при переключении передач.
Какие основные элементы включают в себя сцепление на КАМАЗе?
Основные элементы сцепления КАМАЗ включают диск сцепления, корзину сцепления, выжимной подшипник и главный цилиндр. Диск сцепления с фрикционными накладками осуществляет непосредственно соединение с маховиком двигателя. Корзина сцепления при помощи пружин создает необходимое давление на диск, а выжимной подшипник передает усилие на корзину при выжатии сцепления. Главный цилиндр управляет всей системой через гидравлическое давление.
Каковы признаки неисправности сцепления на КАМАЗе?
Признаки неисправности сцепления могут быть разнообразными. Это, например, трудности при включении передачи, пробуксовка сцепления при работе двигателя на высоких оборотах, а также появление странных шумов при выжиме сцепления. Если педаль сцепления стала мягкой или наоборот слишком жесткой, это может свидетельствовать о проблемах с гидравлической системой. Также, если при отпускании педали сцепления ощущается «прыжок» или скрежет, это может указывать на износ фрикционных накладок или других компонентов сцепления.
Что происходит, если сцепление на КАМАЗе не полностью включается?
Если сцепление на КАМАЗе не полностью включается, это может привести к пробуксовке, что в свою очередь вызывает повышенный износ фрикционных накладок. Также, не полностью включенное сцепление может привести к плохому соединению двигателя с трансмиссией, что приведет к трудностям при переключении передач и даже может вызвать повреждения трансмиссии. Важно своевременно выявлять такую неисправность, чтобы избежать серьезных поломок.
Как часто нужно менять сцепление на КАМАЗе?
Частота замены сцепления на КАМАЗе зависит от интенсивности эксплуатации автомобиля и условий работы. Обычно сцепление служит от 100 до 150 тысяч километров пробега, но если автомобиль часто работает в условиях тяжелых перегрузок или в пробках, то срок службы может быть сокращен. Рекомендуется проверять состояние сцепления во время регулярного технического обслуживания и заменять его при первых признаках износа.
