
Диаметр дренажного канала составляет около 8–10 мм, чего достаточно для отвода конденсата в штатных условиях эксплуатации. Однако при попадании грязи, листвы или инея канал может закупориться. Это особенно актуально в межсезонье, когда перепады температур провоцируют обильное образование конденсата внутри корпуса отопителя.
Штатный шланг выполнен из термостойкой резины, но его рекомендовано заменять каждые 3–5 лет, особенно при агрессивной среде эксплуатации. При замене важно обеспечить плотное прилегание к штуцеру печки и герметичное прохождение через моторный щит – даже незначительная утечка может привести к коррозии элементов кузова.
Для повышения надёжности системы многие владельцы УАЗ Хантер дополнительно устанавливают силиконовый обратный клапан на конце шланга. Он предотвращает попадание влаги и грязи снаружи при движении по пересечённой местности и в сырую погоду. Такой подход особенно полезен при эксплуатации автомобиля в условиях бездорожья.
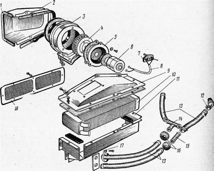
Расположение дренажных каналов в корпусе печки
Дренажные каналы в корпусе печки УАЗ Хантер располагаются в нижней части пластикового кожуха отопителя, непосредственно под испарителем конденсата. Основная функция этих каналов – отвод влаги, образующейся при работе системы обогрева и вентиляции, особенно в условиях резких перепадов температуры.
Важно следить за чистотой этих каналов. Засорение часто происходит из-за пыли, насекомых или скопления масляной плёнки, особенно при установке нештатных фильтров салона. Очистка выполняется тонким тросиком или сжатым воздухом, доступ к каналам обеспечивается после снятия нижней крышки кожуха.
Рекомендуется модифицировать штатные отверстия, установив обратные клапаны – это предотвращает обратный подсос влаги и пыли с улицы. Диаметр клапана должен соответствовать сечению сливного патрубка, а посадочное место герметизироваться термостойким герметиком.
При модернизации печного блока с установкой дополнительных вентиляторов или кондиционера, следует предусматривать дополнительный дренажный канал в центральной части корпуса, чтобы исключить скопление влаги в новых точках конденсации.
Конструкция и материал водоотводящей трубки
- Диаметр: 10–12 мм, обеспечивает достаточную пропускную способность при компактных габаритах.
- Длина: варьируется от 300 до 500 мм в зависимости от конфигурации выхода и местоположения патрубка.
- Гибкость: необходима для компенсации вибраций кузова и предотвращения изломов при установке.
Заводская трубка изготавливается из маслобензостойкой резины EPDM, устойчивой к перепадам температур от −40°C до +120°C. Этот материал не теряет эластичности, не растрескивается и не подвержен разложению при контакте с техническими жидкостями.
При замене рекомендуется использовать шланг аналогичного состава либо силиконовый термостойкий шланг, не подверженный заиливанию. Жесткие пластиковые трубки не подходят – при вибрации возможны трещины и разгерметизация узла.
Соединение трубки с корпусом отопителя уплотняется хомутом или фиксатором с уплотнительным кольцом. Установка без герметичного соединения приводит к подтеканию влаги внутрь моторного отсека и ускоренной коррозии.
Дополнительно рекомендуется предусмотреть сетку-фильтр на входе трубки для предотвращения засора мусором и насекомыми.
Типичные места засоров и способы их устранения

Наиболее уязвимое место системы водоотвода печки УАЗ Хантер – дренажное отверстие в нижней части корпуса отопителя, расположенное возле моторного щита. Оно часто засоряется смесью грязи, листвы и технической пыли, особенно при эксплуатации автомобиля вне дорог общего пользования. Засор приводит к застою воды в кожухе печки и запотеванию стёкол.
Очистку дренажного отверстия проводят снаружи, со стороны моторного отсека. Для этого используют мягкую проволоку диаметром до 2 мм или сжатый воздух. Перед очисткой желательно отсоединить воздухозаборный патрубок, обеспечив прямой доступ к дренажу.
Второй проблемный участок – каналы отвода конденсата, встроенные в корпус отопителя. При сильном загрязнении они могут закупориться полностью. Устранение выполняется путём разборки корпуса печки и механической очистки каналов. Используют длинные гибкие ерши и промывку водой с добавлением моющего средства.
Засоры также возможны в воздухозаборной решётке под ветровым стеклом. Скопившийся мусор препятствует стеканию воды по штатным дренажам. Удаление выполняется вручную с последующим промыванием лотка. Рекомендуется устанавливать сетку-фильтр, чтобы предотвратить повторное засорение.
Особенности подключения дренажа к кузову

На УАЗ Хантер дренажная система печки представляет собой трубку, отводящую конденсат и воду из корпуса отопителя. Правильное подключение дренажа к кузову исключает попадание влаги в салон и коррозию металла.
- Штатный выход дренажной трубки находится в нижней части корпуса отопителя и направлен вниз по моторному щиту. Выход должен быть герметичен и закреплён без перегибов.
- Оптимальный диаметр шланга – 10–12 мм. Используется бензомаслостойкий силиконовый или резиновый шланг, устойчивый к перепадам температур.
- В кузове просверливается сливное отверстие диаметром 12–14 мм в наиболее низкой точке моторного щита, строго ниже уровня установки печки. Край отверстия обрабатывается антикоррозионным средством.
- Для герметичного подключения рекомендуется использовать металлический штуцер с гайкой и уплотнительным кольцом. Он обеспечивает плотную фиксацию шланга и исключает подтекания.
- Обязательно наличие каплеуловителя или обратного клапана на выходе – это предотвращает обратный подсос влаги при резком охлаждении воздуха в корпусе отопителя.
- Выход дренажа за пределы моторного отсека организуется под углом не менее 30°, чтобы исключить застой воды. Конец шланга не должен соприкасаться с элементами выхлопной системы или рамой.
После подключения необходимо проверить прохождение воды через систему: залить 200–300 мл и убедиться в свободном выходе без подтеков внутри кузова.
Проблемы герметичности узлов водоотведения

Основная проблема герметичности системы водоотведения УАЗ Хантер связана с недостаточной плотностью сопряжения пластиковых и металлических элементов. В зоне перехода дренажного патрубка в корпус отопителя часто образуются щели, через которые влага попадает в салон при сильных осадках или мойке под высоким давлением.
Часто применяется резиновый уплотнитель низкого качества, теряющий эластичность уже после первой зимы. Это приводит к капиллярному подсосу влаги даже при закрытой системе. Особенно уязвим участок соединения дренажной трубки с лотком воздухозаборника: при старении герметика нарушается адгезия к поверхности, появляется течь.
Также фиксируются случаи заводской недопрессовки соединений при сборке – например, обжим дренажной втулки к кузову выполняется без герметизирующей прокладки, что создает канал для поступления воды в зону педального узла. Решение – демонтаж, очистка от коррозии и нанесение качественного полиуретанового герметика, устойчивого к перепадам температур.
Рекомендовано заменять заводской шланг отвода влаги на армированный силиконовый аналог с герметичной посадкой на штуцерах. Для повышения герметичности используется дополнительная хомутовая фиксация и обработка стыков составами на основе битума или MS-полимеров. Проверку узлов необходимо проводить не реже одного раза в сезон, особенно перед осенними дождями.
Замена штатного водоотвода на альтернативные решения

Один из вариантов – замена пластиковых труб на армированные металлочастные элементы. Эти материалы устойчивы к механическим повреждениям и долговечнее, чем стандартные пластиковые аналоги. Особенно это актуально для автомобилей, эксплуатируемых в сложных условиях, где вероятность повреждения системы увеличена.
Для улучшения водоотведения можно использовать более крупные трубопроводные системы с улучшенным наклоном, чтобы ускорить отвод конденсата и предотвратить застой воды. Такой подход полезен при повышенной влажности и длительных зимних эксплуатационных нагрузках.
Также стоит рассмотреть использование системы с интегрированными фильтрами для предотвращения засорения водоотводных каналов. Это может быть полезно в условиях повышенной запыленности или грязных дорог, где фильтрация будет способствовать более долговечной эксплуатации системы.
Некоторые владельцы устанавливают систему с автоматическим сливом, например, датчики уровня воды или конденсата, которые активируют отводной механизм по мере накопления воды. Это исключает необходимость ручного вмешательства и повышает общий комфорт эксплуатации.
Кроме того, можно установить гибкие трубопроводы с возможностью регулировки угла наклона. Это даёт возможность легко адаптировать систему под изменяющиеся условия, не требуя капитальных изменений в конструкции автомобиля.
Выбор альтернативного водоотвода должен учитывать климатические условия региона эксплуатации и особенности механизма работы системы отопления, чтобы замена была не только полезной, но и эффективной.
Профилактика затекания воды в салон через печку

1. Проверка и чистка водоотводных каналов. Каналы, которые отводят воду от печки, часто забиваются грязью, листвой и другими мелкими частицами. Засорение этих каналов препятствует нормальному отведению воды и может привести к её попаданию в салон. Регулярная чистка решает эту проблему.
2. Осмотр и замена уплотнителей. Уплотнительные резинки на соединениях печки, коробке воздуховодов и корпусе должны быть целыми и не изношенными. Если уплотнители повреждены, вода может проникать в систему отопления. Проверьте их состояние и замените, если они утратили герметичность.
3. Контроль состояния подкапотной площади. Вода может поступать в салон через места, где есть повреждения или трещины в кузове. Особое внимание стоит уделить участкам вокруг радиатора печки и соединительным трубкам. Небольшие повреждения можно заделать герметиком или специальными ремонтными средствами.
4. Обеспечение правильного наклона кузова. Недостаточный наклон кузова может стать причиной скопления воды в определенных точках. Проверьте, чтобы кузов автомобиля был на нужном уровне. Если наклон нарушен, вода будет скапливаться в каналах, что приведет к их засорению и затеканию в салон.
5. Проверка состояния шлангов и соединений. Все шланги, ведущие от радиатора печки и других элементов системы отопления, должны быть целыми, без трещин и повреждений. Также важно проверять все соединения на предмет утечек воды. В случае обнаружения повреждений шланги необходимо заменить.
6. Использование качественных фильтров и жидкостей. Часто затекание воды связано с нарушением работы печки из-за загрязненных фильтров и использованных охлаждающих жидкостей. Регулярно меняйте фильтры и используйте качественные жидкости для системы отопления, чтобы исключить риск повреждений.
Вопрос-ответ:
Как устроен водоотвод в печке УАЗ Хантер?
Водоотвод в печке УАЗ Хантер выполняет роль отвода конденсата и воды, которые могут образовываться в процессе работы системы отопления. Устройство водоотвода обычно включает трубку или шланг, который соединяет отопитель с наружной частью кузова автомобиля. Эта система помогает избежать скопления влаги внутри салона и предотвратить образование плесени и коррозии.
Почему водоотвод в печке УАЗ Хантер может засоряться?
Засорение водоотводной системы печки УАЗ Хантер может происходить из-за накопления грязи, пыли, листвы и других загрязняющих веществ, которые могут попасть в трубку или шланг. Также проблема может возникать, если система не очищается своевременно, что приводит к образованию засоров и блокированию потока воды. Чтобы избежать этого, важно регулярно проверять и чистить водоотвод, особенно в условиях повышенной загрязненности.
Как проверить, работает ли водоотвод печки на УАЗ Хантер?
Для проверки работы водоотводной системы печки УАЗ Хантер следует осмотреть шланг или трубку на наличие видимых повреждений или засоров. Также можно включить печку и проверить, нет ли скапливающейся влаги в салоне или под автомобилем. Если вода не уходит, это может означать, что система засорена или повреждена. В таком случае необходимо провести очистку или замену элементов водоотводной системы.
Как избежать повреждения водоотводной системы в зимний период?
Зимой водоотводная система печки УАЗ Хантер может подвергаться замерзанию, особенно если в трубке осталась влага. Для предотвращения этого важно регулярно проверять, чтобы вода не скапливалась в системе и вовремя ее отводить. Также можно использовать специальные антифризы или жидкости, которые не замерзают при низких температурах, или проводить регулярную проверку состояния трубки, чтобы убедиться в отсутствии льда.
Можно ли самостоятельно заменить водоотвод в печке УАЗ Хантер?
Да, заменить водоотвод в печке УАЗ Хантер можно самостоятельно, если есть минимальные навыки работы с автомобилем. Для этого нужно демонтировать элементы системы отопления, которые затрудняют доступ к трубке или шлангу водоотводного канала. После этого можно очистить или заменить поврежденные участки системы. Важно соблюдать осторожность при снятии элементов, чтобы не повредить другие детали автомобиля.
Как устроен водоотвод печки УАЗ Хантер?
Водоотвод печки в УАЗ Хантер представляет собой систему трубок и каналов, предназначенных для отвода конденсата воды, образующегося в процессе работы печки. Конденсат может скапливаться в корпусе отопителя, и для его удаления используется специальный водоотвод, который соединяется с системой вентиляции автомобиля и выводится наружу через дренажное отверстие. Это позволяет избежать накопления воды в печке и предотвращает коррозию металлических частей системы отопления.
Что может повлиять на работу водоотвода печки УАЗ Хантер?
На работу водоотвода печки могут повлиять различные факторы, такие как заблокированные дренажные отверстия, загрязнение трубок или повреждения системы. Если дренажное отверстие забито, конденсат не сможет свободно выходить, что приведет к его накоплению внутри печки, повышая риск образования плесени или коррозии. Часто водоотвод требует регулярной проверки и очистки от грязи и мусора, чтобы обеспечить нормальную работу системы. В случае повреждения трубок или других элементов водоотвода потребуется их замена.
