
Переключатель света на УАЗ 31514 выполняет сразу несколько функций: включает ближний и дальний свет, управляет габаритами и зачастую совмещён с переключением поворотников. Заводская схема подключения не отличается сложностью, но имеет свои особенности, которые важно учитывать при замене или установке нового блока.
Основные провода, подходящие к переключателю: белый с черной полосой – питание, синий – дальний свет, зеленый – ближний, черный – масса. Отдельная линия идет на габаритные огни. Перед подключением необходимо отключить аккумулятор, чтобы исключить короткое замыкание при работе с контактами.
Для корректной работы переключателя важно соблюдать порядок подключения контактов согласно штатной электросхеме. Ошибки на этом этапе могут привести к отказу одного или нескольких режимов освещения. Рекомендуется предварительно прозвонить каждый провод мультиметром в режиме «прозвонка» и отметить маркером назначение каждого провода.
Совет: при замене старого переключателя целесообразно заменить и разъем, особенно если штатный пластик потрескался или контакты окислены. Также стоит проверить состояние предохранителей, отвечающих за цепи освещения, особенно при нестабильной работе света.
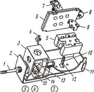
Выбор подходящего переключателя света для УАЗ 31514

Для УАЗ 31514 применяются переключатели света, рассчитанные на работу с 12-вольтовой сетью и совместимые с системой внешнего освещения, включающей ближний, дальний свет и габаритные огни. Заводская проводка рассчитана на ток до 10 А, поэтому рекомендуется выбирать переключатели с номинальным током не ниже 16 А для повышения надёжности.
Наиболее надёжным считается рычажный переключатель с фиксируемыми положениями и металлическим основанием. Он устойчив к вибрациям и температурным перепадам, характерным для эксплуатации в условиях бездорожья. Подключение обычно осуществляется через три или четыре контакта: вход питания, выход на ближний, дальний свет и, при наличии, габариты. Контактная схема должна быть указана на корпусе или в паспорте изделия.
Из проверенных решений можно выделить переключатели от моделей УАЗ 469 или ГАЗ 24 – они подходят по конструкции и монтируются без доработок панели. Современные аналоги с подсветкой могут потребовать незначительных изменений в подключении, но обеспечивают более удобную индикацию включения. Важно исключить установку переключателей с пластиковыми контактными группами – они быстро выгорают при активной эксплуатации.
При покупке обращайте внимание на жёсткость фиксации положений, отсутствие люфтов и маркировку производителя. Надёжный переключатель должен обеспечивать чёткое включение без пробуксовки контактов, иначе возможен перегрев и выход из строя фар или проводки.
Необходимые инструменты и материалы для установки

Для установки переключателя света на УАЗ 31514 потребуются следующие инструменты:
Отвертки – крестовая и плоская, для снятия панели и подключения проводов. Выбирайте отвертки с хорошей эргономикой, чтобы избежать повреждения креплений.
Ключи и гаечные ключи – понадобятся для откручивания болтов крепления панели. Рекомендуются инструменты с длинной рукояткой для удобства работы в ограниченном пространстве.
Паяльник – для надёжного соединения проводов. Используйте паяльник средней мощности (30-40 Вт), чтобы избежать перегрева проводки и повреждения изоляции.
Изолента – для изоляции соединений проводов. Выбирайте изоленту, которая выдерживает высокие температуры и механические нагрузки.
Клеммные колодки – для безопасного соединения проводов без пайки. Это облегчает монтаж и демонтаж проводки в случае необходимости.
Мультиметр – для проверки целостности цепей и проверки правильности подключения проводов. Это поможет избежать короткого замыкания и ошибок в подключении.
Тестеры для проводки – полезные для проверки наличия тока и правильности подключения после установки переключателя.
Шуруповёрт – ускорит процесс снятия и установки панели, особенно если крепления находятся в труднодоступных местах.
Герметик – рекомендуется использовать для защиты соединений от влаги, если в процессе установки есть риск попадания воды.
Материалы для установки:
Переключатель света – обязательно покупайте оригинальные или совместимые модели, подходящие для УАЗ 31514.
Проводка – используйте проводку с хорошей изоляцией, рассчитанную на нужные токовые нагрузки. При выборе проводов учитывайте их диаметр и сечение.
Крепёжные элементы – болты, гайки, шурупы. Для установки переключателя света важно, чтобы все крепёжные элементы соответствовали размерам и не ослаблялись со временем.
Соблюдение этих рекомендаций обеспечит качественную установку переключателя света без проблем в дальнейшем использовании.
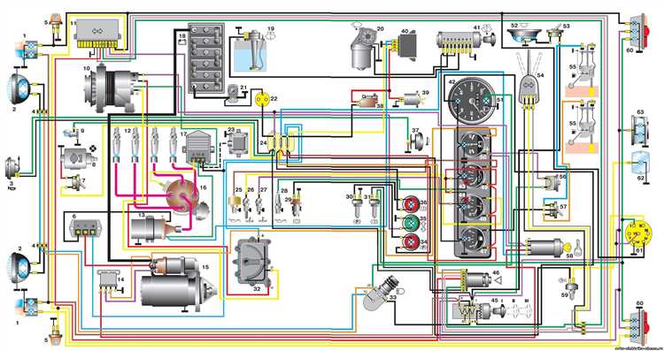
Схема штатного подключения освещения на УАЗ 31514

Схема подключения освещения на УАЗ 31514 имеет несколько ключевых элементов, включая переключатель света, реле, предохранители и саму проводку. Основная цель системы – обеспечить правильное и безопасное функционирование всех осветительных приборов автомобиля, таких как фары, габаритные огни, указатели поворота и стоп-сигналы.
В схеме подключения предусмотрены следующие компоненты:
- Переключатель света – размещается на панели управления и управляет включением дальнего, ближнего света, а также габаритных огней и фонарей.
- Реле освещения – используется для управления мощными цепями, такими как фары. Реле помогает снизить нагрузку на переключатель и другие элементы.
- Предохранители – защищают элементы системы от коротких замыканий и перегрузок. Предохранители должны быть правильно подобраны в зависимости от мощности подключаемых приборов.
- Проводка – выполняет роль соединения всех элементов системы. Важно, чтобы проводка была качественно изолирована и правильно прокладывалась, чтобы избежать коротких замыканий.
В стандартной конфигурации схема подключения следующая:
- Питание поступает от аккумулятора через главный предохранитель в цепь освещения.
- От предохранителя ток направляется к реле освещения, которое подключено к переключателю света.
- Переключатель света управляет цепями включения ближнего и дальнего света, а также включением габаритных огней.
- Фары подключены через реле и включаются в зависимости от выбранной настройки переключателя.
- Габаритные огни и указатели поворота подключены параллельно, обеспечивая их независимую работу.
Важный момент – правильный выбор сечений проводов. Для фары необходимо использовать провод с сечением не менее 1,5 мм², чтобы избежать перегрева проводки и обеспечить стабильную работу системы.
Рекомендуется проверять соединения на наличие коррозии и повреждений изоляции, так как плохие контакты могут привести к нестабильной работе освещения и даже к поломке реле или переключателя.
Для корректной работы системы освещения важно регулярно проверять состояние предохранителей и реле, особенно в условиях активной эксплуатации автомобиля.
Демонтаж старого переключателя и подготовка проводки
Перед началом демонтажа старого переключателя света на УАЗ 31514 необходимо отключить аккумулятор, чтобы исключить возможность короткого замыкания или случайного замыкания цепи.
1. Снимите крышку монтажного блока, чтобы получить доступ к проводке. Осмотрите состояние проводов, чтобы убедиться в их целостности.
2. С помощью крестовой отвертки открутите крепежные винты, фиксирующие старый переключатель. Обратите внимание на расположение проводов, чтобы в дальнейшем подключить их к новому переключателю в правильной последовательности.
3. Аккуратно извлеките старый переключатель, избегая повреждения проводки. Снимите все соединения проводов с контактных клемм переключателя.
4. Прежде чем устанавливать новый переключатель, проведите визуальный осмотр проводки. Если провода имеют признаки износа или повреждения изоляции, замените их на новые.
5. Для предотвращения коротких замыканий и обеспечения надежности подключения, зачистите концы проводов на 5-7 мм. Используйте специальный инструмент для зачистки, чтобы не повредить жилы.
6. Если проводка сильно загрязнена или покрыта окислами, протрите её контакты и разъёмы с использованием спирта или другого обезжиривающего средства. Это обеспечит хороший контакт и предотвратит возможные проблемы с проводкой в будущем.
7. Если проводка была повреждена или имеет трещины, замените поврежденные участки. Используйте термоусадочные трубки для защиты соединений от влаги и механических повреждений.
8. После завершения подготовки проводки, проверяйте её состояние перед установкой нового переключателя, чтобы исключить возможные проблемы с подключением.
Особенности подключения массы и питания переключателя

Для питания переключателя используется провод с сечением 0.5-1.0 мм², в зависимости от мощности световых приборов, которыми управляет переключатель. При этом необходимо учитывать допустимую нагрузку на проводку и правильное подключение к источнику питания – через предохранитель, чтобы избежать коротких замыканий или перегрузок.
Подключение массы может быть выполнено несколькими способами. Один из них – это соединение через корпус переключателя, который в свою очередь должен иметь надежный контакт с кузовом автомобиля. Второй вариант – использование отдельного проводника с подключением его к месту с хорошим заземлением, например, к металлическому корпусу автомобиля, где обеспечивается стабильный контакт с массой.
При монтаже важно проверять, чтобы контакт с массой был чистым и надежным. Коррозия и загрязнения могут привести к нестабильной работе системы освещения. Рекомендуется дополнительно обработать точки подключения антикоррозийным составом для продления срока службы контактов.
Для надежности соединений следует использовать качественные зажимы и наконечники, которые обеспечат минимальное сопротивление и не допустят перегрева проводки. Подключение переключателя света должно быть выполнено аккуратно, без перегибов проводов и механических повреждений.
Подключение ближнего и дальнего света фар к новому переключателю
Для корректного подключения ближнего и дальнего света фар на УАЗ 31514 через новый переключатель необходимо правильно выполнить несколько ключевых шагов. Во-первых, убедитесь в совместимости нового устройства с проводкой вашего автомобиля. Обычно для УАЗ 31514 используются стандартные переключатели, но могут быть исключения, поэтому важно заранее изучить схему подключения.
Начните с отключения аккумулятора. Это поможет избежать короткого замыкания и повреждения компонентов. Затем откройте крышку на приборной панели, чтобы получить доступ к месту установки переключателя. Найдите проводку, которая отвечает за управление фарами. Обычно она проходит через блок предохранителей, и необходимо тщательно проверить все соединения на наличие повреждений.
Для подключения ближнего и дальнего света нужно провести два основных провода от переключателя к фарам. Один провод будет отвечать за включение ближнего света, а другой – за дальний. Для правильного подключения внимательно следуйте схеме. Провода должны быть подключены к соответствующим клеммам на переключателе и к клеммам фар. На старых моделях переключателей могут быть дополнительные клеммы для подключения противотуманных фар или других опций, но для обычных фар потребуется всего два соединения.
Важно: на дальний свет нужно использовать провод с соответствующей защитой, так как он будет работать с более высокой нагрузкой. Рекомендуется использовать провод сечением не менее 1,5 мм² для ближнего света и 2,5 мм² для дальнего.
После подключения проводов к переключателю и фарам проверьте все соединения на надёжность. Важно, чтобы контакты не имели люфтов или коррозии, так как это может привести к перебоям в работе системы освещения. Подключите аккумулятор и проверьте работу фар, переключив переключатель в различные положения. Убедитесь, что оба света включаются корректно.
Если в процессе подключения возникли сомнения или проблемы с проводкой, рекомендуется обратиться к специалисту. Ошибки в подключении могут привести к повреждению электрооборудования автомобиля.
Проверка работоспособности после подключения

После завершения подключения переключателя света на УАЗ 31514 важно тщательно проверить его работу. Для начала включите зажигание и включите переключатель в различные положения: для дальнего и ближнего света, а также для управления противотуманными фарами (если они предусмотрены). Убедитесь, что каждое положение переключателя вызывает нужное действие.
Проверьте работу фар. При включении дальнего света свет должен быть ярким и направленным, а также без мерцания или тусклости. Ближний свет должен работать стабильно, без изменений яркости. Если у вашего автомобиля имеются противотуманные фары, они должны включаться и выключаться корректно в соответствующем режиме.
Не забудьте проверить все дополнительные функции, такие как освещение приборной панели, если они связаны с переключателем. Освещенные индикаторы и кнопки должны четко и равномерно подсвечиваться при включении света. Для этого в темное время суток лучше всего проводить проверку.
Если в процессе проверки выявились проблемы, например, мерцание света или отсутствие реакции на одно из положений, необходимо повторно осмотреть проводку, убедиться в правильности подключений и отсутствии коротких замыканий. Возможно, потребуется очистить контакты или заменить поврежденные элементы.
В случае успешной проверки работы всех функций можно считать подключение завершенным.
Решение частых проблем при установке переключателя света
При установке переключателя света на УАЗ 31514 могут возникнуть несколько распространенных проблем, которые легко решить при соблюдении правильных процедур. Рассмотрим каждую из них.
1. Неправильное подключение проводки
Одна из самых частых ошибок при установке – неправильное подключение проводов. Особенно важно следить за тем, чтобы каждый провод был подключен к нужному контакту. Если переключатель не работает или работает неправильно, проверьте соответствие проводки на схеме автомобиля. Используйте изоленту или клеммные колодки для надежного соединения проводов. Лучше всего использовать провод с сечением не менее 1,5 мм² для устойчивой работы переключателя.
2. Перегрузка цепи
Перегрузка цепи может привести к повреждению переключателя и других компонентов. Чтобы избежать этого, убедитесь, что переключатель рассчитан на нужную нагрузку. Использование более мощных ламп или неправильного типа реле может повлиять на работу системы. Оптимальный выбор – использование реле, соответствующего номиналу освещения.
3. Проблемы с заземлением
Отсутствие хорошего контакта с заземлением – еще одна частая проблема. Если переключатель не работает должным образом, проверьте заземление корпуса. Плохой контакт может привести к нестабильной работе света. Убедитесь, что заземляющий провод соединен с кузовом без коррозии и лишних соединений.
4. Неправильная установка переключателя
Некорректная установка переключателя может вызвать проблемы с его работой. Убедитесь, что переключатель установлен в правильном положении, без излишнего усилия и с точностью к крепежным отверстиям. Если переключатель не фиксируется, проверьте, не мешают ли ему другие элементы интерьера.
5. Низкое качество переключателя
Не все переключатели света одинаково качественны. При выборе стоит обратить внимание на производителя и отзывы пользователей. Дешевые аналоги могут быстро выходить из строя, особенно в условиях повышенных нагрузок. Инвестирование в проверенные бренды гарантирует долговечность и надежность работы системы освещения.
6. Повреждения проводки
При установке нового переключателя следует внимательно осмотреть проводку на наличие повреждений. Корабление проводов или их излом могут вызвать короткие замыкания и привести к выходу из строя переключателя. Замените поврежденные участки проводки или проложите новые кабели, если это необходимо.
Внимание к деталям при подключении и выборе компонентов гарантирует долговечную и безопасную работу системы освещения на УАЗ 31514.
Вопрос-ответ:
Как правильно подключить переключатель света на УАЗ 31514?
Подключение переключателя света на УАЗ 31514 включает несколько этапов. Первым шагом будет отключение аккумулятора для обеспечения безопасности. Далее необходимо снять старый переключатель, отсоединив провода, и установить новый. Провода следует подключить в соответствии с схемой, которая идет в комплекте с переключателем. Обычно это включает подключение проводов к контактам для ближнего и дальнего света, а также к заземлению. После этого можно проверить работоспособность, подключив аккумулятор и включив световые приборы.
Какие могут возникнуть проблемы при подключении переключателя света на УАЗ 31514?
При подключении переключателя света на УАЗ 31514 могут возникнуть различные проблемы. Одной из самых частых является неправильное подключение проводов, что может привести к отказу света или короткому замыканию. Также стоит следить за качеством контактов, чтобы избежать их окисления или ослабления. Важно помнить, что изношенные или поврежденные провода также могут стать причиной неисправности. В случае возникновения проблем стоит перепроверить схему подключения и при необходимости заменить неисправные элементы.
Нужно ли использовать какие-либо специальные инструменты для подключения переключателя света на УАЗ 31514?
Для подключения переключателя света на УАЗ 31514 обычно достаточно базовых инструментов, таких как крестовая отвертка для снятия и установки переключателя, а также кусачки и изолента для работы с проводами. В некоторых случаях могут понадобиться специальные инструменты для зачистки проводов, если это необходимо. Также не забудьте о мультиметре, чтобы проверить, правильно ли подключены контакты и нет ли коротких замыканий.
Как правильно проверить работу переключателя света после его подключения?
После того как переключатель света на УАЗ 31514 установлен и подключен, важно проверить его работу. Для этого включите зажигание и проверьте все режимы работы света: ближний и дальний свет, а также дополнительные функции, такие как противотуманные фары (если они есть). Убедитесь, что переключатель плавно переключает между режимами, а световые приборы корректно включаются и выключаются. Если при переключении света возникают проблемы, стоит проверить соединения и контакты, возможно, потребуется перезачистить провода или заменить поврежденные элементы.
Можно ли заменить переключатель света на УАЗ 31514 самостоятельно, или нужно обращаться к специалистам?
Заменить переключатель света на УАЗ 31514 вполне можно самостоятельно, если у вас есть базовые знания и навыки работы с электрической проводкой. Процесс не слишком сложный и может быть выполнен без специальных инструментов. Главное — следовать схеме подключения и соблюдать осторожность, особенно при работе с электричеством. Если у вас нет опыта в таких работах или если возникают сомнения, лучше обратиться к специалистам, чтобы избежать возможных ошибок и повреждений автомобиля.
Как подключить переключатель света на УАЗ 31514?
Для подключения переключателя света на УАЗ 31514 нужно начать с отключения аккумулятора, чтобы избежать короткого замыкания. Затем следует снять старый переключатель и проверить его провода. Подключите новый переключатель, соединяя провода согласно схеме подключения, которая указана в инструкции к устройству. Обычно это два провода: один для включения фар, другой для переключения между режимами. После подключения проверьте работу переключателя и подключите аккумулятор.
Какие ошибки могут возникнуть при подключении переключателя света на УАЗ 31514?
При подключении переключателя света на УАЗ 31514 возможны несколько ошибок. Одна из распространенных — неверное подключение проводов. Если перепутать контакты, это может привести к неработающему свету или короткому замыканию. Также стоит учитывать состояние проводки — старые или поврежденные провода могут вызвать перебои в работе. Чтобы избежать этих проблем, рекомендуется заранее проверить целостность проводки и использовать качественные соединения. Важно помнить, что любые работы с электрической системой автомобиля лучше проводить с осторожностью и, по возможности, с использованием схемы подключения.
