Программы
Как разбортировать колесо на камазе
Инструкция по разбортировке колеса на КамАЗе: пошаговый процесс, советы по безопасной работе и необходимым инструментам для замены колеса.
Как работает ускорительный клапан на камазе видео
Как работает ускорительный клапан на Камазе? Узнайте, как правильно работает эта деталь и как она влияет на процесс подачи топлива...
Как работать на манипуляторе новичку камаз
С чего начать работу на манипуляторе КАМАЗ, как управлять установкой, соблюдать безопасность и не допускать типичных ошибок новичка — подробное...
Как работает энергоаккумулятор на камазе
Энергоаккумулятор на КАМАЗе — это устройство пневматического тормоза, которое обеспечивает удержание и экстренное торможение. Разберём принцип его действия и конструкцию.
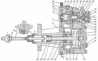
Как работает сцепление на камазе
Устройство сцепления на КамАЗе: принцип работы, основные узлы и механизмы, особенности эксплуатации и диагностики неисправностей в различных условиях.