
Подключение генератора на КамАЗ – ключевая операция для обеспечения стабильной работы электросистемы автомобиля. Чтобы генератор выполнял свою функцию эффективно, важно правильно выполнить все этапы установки и подключения. Одним из первых шагов является выбор подходящего генератора в зависимости от модели КамАЗа и мощности, необходимой для работы всех электрических приборов.
Основной элемент подключения – это качественная проводка. Для КамАЗов используется стандартная проводка с сечением проводов, соответствующим нагрузке генератора. Важно использовать проводку с изоляцией, устойчивой к повышенным температурам, поскольку генератор работает в условиях значительных механических и тепловых нагрузок.
Для надежной работы системы важно обеспечить правильное подключение плюсового и минусового контакта к аккумулятору и соответствующим клеммам генератора. Также не стоит забывать об установке ремня, который соединяет шкив генератора с двигателем. Его натяжение должно быть оптимальным, чтобы избежать повреждения и сбоев в работе.
После установки необходимо произвести проверку работы генератора: проверьте напряжение на выходе с помощью вольтметра. Нормальное напряжение должно быть в пределах 13,8-14,4 В при работающем двигателе. Если напряжение выходит за эти пределы, это может свидетельствовать о неисправности генератора или системы зарядки.
Качество подключения генератора напрямую влияет на длительность службы и эффективность работы всей электросистемы КамАЗа, что в свою очередь способствует бесперебойной эксплуатации транспортного средства в условиях длительных поездок или в сложных климатических условиях.
Выбор подходящего генератора для КамАЗ

Первый шаг – определение необходимой мощности. Для КамАЗ, в зависимости от модели и комплектации, мощность генератора должна составлять от 28 до 40 ампер. Мощность генератора должна быть достаточной для зарядки аккумулятора и питания всех электрических систем автомобиля, включая освещение, кондиционер и прочее оборудование. Подбор мощности генератора зависит от климатических условий, интенсивности эксплуатации и наличия дополнительного оборудования на автомобиле.
Второй важный момент – тип генератора. Для КамАЗ наиболее часто используются щеточные генераторы. Они подходят для работы в тяжелых условиях и имеют простую конструкцию, что облегчает их обслуживание и ремонт. Щеточные генераторы обеспечивают стабильную работу в условиях пыли, грязи и вибрации, которые могут быть свойственны эксплуатационным условиям грузовиков.
При выборе генератора рекомендуется обратить внимание на производителя. Генераторы от проверенных брендов, таких как Bosch или Valeo, обеспечивают стабильную работу и долгий срок службы. Однако, существуют и более бюджетные варианты, которые могут быть приемлемыми для старых моделей КамАЗ. Важно также учитывать наличие сервисных центров и запчастей в вашем регионе, чтобы в случае необходимости быстро устранить неисправности.
Также стоит учитывать напряжение генератора. Для КамАЗ в большинстве случаев используется стандартное напряжение 24 В, однако для некоторых моделей могут быть доступны и другие варианты. Выбор напряжения зависит от системы электрического питания вашего транспортного средства.
Наконец, необходимо удостовериться в качестве креплений и соединений генератора. КамАЗ имеет специфические требования к установке генераторов, и важно, чтобы генератор был надежно зафиксирован, а все соединения – герметичны, чтобы избежать коротких замыканий и других повреждений.
Подключение генератора к электросистеме КамАЗ

При подключении генератора к электросистеме КамАЗ важно соблюсти правильную последовательность действий, чтобы обеспечить стабильную работу всего автомобиля. Процесс подключения включает в себя несколько ключевых этапов, которые следует выполнить с максимальной точностью.
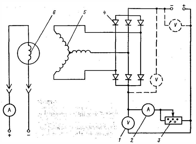
- Проверка генератора: Перед установкой убедитесь, что генератор соответствует требованиям модели КамАЗ. Проверьте его технические характеристики, такие как номинальная мощность, тип выходного напряжения и его характеристики.
- Подготовка проводки: Подключение генератора требует надежной проводки, способной выдерживать номинальные токи и напряжения. Рекомендуется использовать кабели с медными жилами, диаметр которых соответствует нагрузке, указанной в технической документации.
- Монтирование генератора: Генератор устанавливается на крепежные места двигателя КамАЗ с помощью соответствующих крепежных элементов. Обратите внимание на правильное натяжение ремня генератора. Он не должен быть слишком натянут, но и не должен болтаться. Оптимальное натяжение – 10-15 мм в центре.
- Подключение проводки: Подключите выходной кабель генератора к аккумуляторной батарее через контрольную панель. Подключение необходимо выполнить через автоматический предохранитель, который защитит систему от коротких замыканий и перегрузок. Важно, чтобы все соединения были надежно заизолированы для предотвращения коррозии и потерь напряжения.
- Заземление: Убедитесь, что генератор правильно заземлен, чтобы избежать помех в работе электросистемы. Неправильное заземление может привести к сбоям в работе электрооборудования и даже вызвать его повреждения.
При подключении генератора к электросистеме КамАЗ соблюдайте все рекомендации по безопасности и следите за техническим состоянием элементов. Это обеспечит надежную работу как самого генератора, так и всей электросистемы автомобиля в целом.
Регулировка натяжения ремня генератора

Натяжение ремня генератора напрямую влияет на его работу. Недостаточное или избыточное натяжение может привести к повышенному износу компонентов или поломке. Для правильной работы системы важно соблюсти баланс, обеспечив оптимальное натяжение.
Первым шагом для регулировки натяжения необходимо отключить двигатель и убедиться, что ремень не поврежден и не имеет признаков износа. Ремень должен быть установлен без перекосов и должен свободно вращаться на шкивах без лишнего сопротивления.
Чтобы правильно отрегулировать натяжение, используйте специальный инструмент – натяжной механизм, который присутствует в конструкции большинства генераторов на КамАЗах. Он позволяет изменять угол наклона генератора относительно двигателя, регулируя таким образом натяжение ремня.
Для регулировки нужно ослабить болты, фиксирующие генератор. Затем вращайте натяжной винт до тех пор, пока не достигнете необходимого натяжения ремня. Оптимальное натяжение – это когда при нажатии на ремень в его средней части с усилием 10-15 кг, его прогиб составляет около 1-2 см.
После достижения требуемого натяжения затяните все крепежные элементы и проверьте работу системы, запустив двигатель. Убедитесь, что ремень не скрипит и не проскальзывает, а генератор функционирует стабильно.
Регулярно проверяйте натяжение ремня генератора, особенно в условиях повышенных нагрузок или при изменении климатических условий. Неправильное натяжение может привести к перегреву генератора и быстрому выходу из строя, что потребует дополнительных затрат на ремонт.
Проверка работоспособности генератора после установки

После установки генератора на КамАЗ необходимо провести несколько ключевых тестов для проверки его работоспособности. Это поможет избежать неожиданных поломок в процессе эксплуатации.
Первым шагом является проверка напряжения на аккумуляторе при работающем двигателе. Используйте мультиметр, чтобы измерить напряжение на клеммах аккумулятора. Оно должно быть в пределах 13,8–14,4 В, что свидетельствует о корректной зарядке. Если значение выходит за эти пределы, это может означать неисправность регулятора напряжения или диодного моста.
Затем проверьте работу генератора на холостых оборотах. Напряжение на аккумуляторе должно оставаться стабильным и не опускаться ниже минимальных значений, установленных производителем. При повышении оборотов двигателя напряжение должно оставаться постоянным, что подтверждает стабильную работу системы зарядки.
Важным этапом является тест на работу электросистемы под нагрузкой. Для этого включите потребители, такие как фары, кондиционер, обогрев зеркал и другие электросистемы, и снова измерьте напряжение на аккумуляторе. Оно должно оставаться в пределах нормы. Если напряжение падает ниже 12,5 В при включении нагрузки, это может свидетельствовать о недостаточной мощности генератора или проблемах с его подключением.
Также важно прослушать генератор на предмет посторонних звуков. Шум, скрежет или вибрации могут указывать на неправильную установку или износ подшипников генератора. В таком случае следует немедленно провести диагностику.
Не забывайте проверять контакты на наличие коррозии или плохих соединений. Если крепежные элементы ослаблены, генератор может не обеспечивать необходимую производительность.
Ремонт и обслуживание генератора КамАЗ
При осмотре коллектора стоит уделить внимание следам перегрева, обгораниям и искрам. Если обнаружены повреждения, рекомендуется шлифовка коллектора. Для этого нужно снять генератор, открутить его крышку и тщательно обработать поверхность коллектора. При значительных повреждениях коллектор может потребовать замены.
Следующим шагом является проверка подшипников. Они должны работать без шума и люфта. Если слышен гул или присутствует люфт, подшипники нужно заменить, чтобы избежать серьезных поломок, таких как разрушение ротора или других внутренних компонентов генератора.
Не менее важно следить за состоянием ремня привода генератора. Он должен быть натянут на оптимальное значение: не слишком сильно, чтобы не перегрузить подшипники, и не слишком слабо, чтобы избежать пробуксовки. Регулярно проверяйте ремень на наличие трещин и повреждений, особенно при интенсивной эксплуатации автомобиля.
При обслуживании генератора КамАЗ также важно проверять регулятор напряжения. Он контролирует уровень зарядки аккумулятора, поэтому его неисправность может привести к перепадам напряжения и быстрому износу аккумулятора. Чтобы проверить регулятор, нужно измерить напряжение на выходе генератора при различных режимах работы двигателя. Если напряжение выходит за пределы допустимых значений, возможно, потребуется замена регулятора.
Кроме того, важно следить за чистотой генератора. Пыль и грязь могут попасть в его внутренние части, что приведет к перегреву и снижению эффективности работы. Регулярно очищайте корпус генератора и его вентиляционные отверстия от загрязнений с использованием мягкой щетки и сжатого воздуха.
Завершающим этапом является проверка проводки и соединений. Окисление и ослабление контактов могут привести к потере мощности и нестабильной работе генератора. Проводку следует проверять на предмет коррозии, а все соединения – на прочность. При необходимости зачистите контакты и обеспечьте надежное соединение.
Ремонт генератора КамАЗ – это процесс, требующий внимательности и регулярности. Правильное обслуживание позволит предотвратить многие проблемы и продлить срок службы генератора.
Особенности работы генератора в условиях низких температур

При эксплуатации КамАЗа в зимний период важно учитывать влияние низких температур на работу генератора. В условиях сильного холода возрастает нагрузка на электрическую систему автомобиля, что может привести к перегрузке и сбоям в работе генератора. Один из основных факторов – снижение производительности аккумулятора при низких температурах, что в свою очередь требует от генератора большей мощности для зарядки.
В условиях морозов генератор должен работать с повышенной нагрузкой из-за увеличенного сопротивления в проводах и контактах. Особенно это заметно при запуске двигателя, когда стартер потребляет максимальное количество тока. Если генератор не справляется с нагрузкой, его ресурс сокращается, а в худшем случае он может выйти из строя.
Одной из основных проблем, с которой сталкиваются владельцы КамАЗов в зимний период, является увеличение вязкости моторного масла, что повышает сопротивление движению коленвала и создает дополнительную нагрузку на генератор. Это особенно важно для старых машин, где износ генератора может привести к его неполадкам при низких температурах.
Для предотвращения таких проблем рекомендуется регулярная проверка состояния аккумулятора и системы зарядки, а также использование моторных масел, подходящих для зимней эксплуатации. Важно также следить за состоянием ремня генератора, который в холодное время года может затягиваться, увеличивая нагрузку на генератор и приводя к его перегреву.
Использование дополнительных источников тепла, таких как обогреватели аккумулятора и генератора, также поможет улучшить работу системы. В идеале генератор следует проверять перед началом зимнего сезона и проводить профилактическое обслуживание, чтобы избежать серьезных поломок в процессе эксплуатации.
Вопрос-ответ:
Как правильно подключить генератор на КамАЗ?
Подключение генератора на КамАЗ требует внимательности, так как от этого зависит стабильная работа электросистемы. Начать стоит с отключения аккумулятора, чтобы избежать короткого замыкания. Затем устанавливается генератор, подключая его к ременному приводу, следя за натяжением ремня, чтобы избежать его быстрого износа. После этого проводятся подключения проводов от генератора к аккумулятору и щеткам регулятора напряжения. Важно проверить все соединения на надежность.
Что делать, если генератор на КамАЗе не заряжает аккумулятор?
Если генератор на КамАЗе не заряжает аккумулятор, следует проверить несколько основных причин. Первое — это исправность ремня, который должен быть натянут должным образом, чтобы передавать необходимую мощность. Второе — состояние щеток и регулятора напряжения. Если они изношены, это может привести к плохой зарядке. Также стоит проверить проводку на наличие окисления или повреждений. Наконец, не лишним будет проверить сам аккумулятор на наличие скрытых повреждений или износа.
Какие симптомы указывают на неисправность генератора КамАЗ?
Основными признаками неисправности генератора на КамАЗе являются: тусклый свет фар при работающем двигателе, быстрая разрядка аккумулятора, а также возможные посторонние шумы при работе двигателя. Иногда можно заметить мерцание или нестабильную работу электрических приборов в салоне. Если заметили такие симптомы, стоит провести диагностику генератора и проверить его работоспособность.
Как проверить работоспособность генератора на КамАЗ?
Для проверки генератора на КамАЗе можно использовать вольтметр. При работающем двигателе напряжение на аккумуляторе должно составлять 13,8-14,4 вольт. Если значение ниже, это может указывать на неисправность генератора или регулятора напряжения. Также можно проверить генератор на наличие нагрева, посторонних шумов или запаха горелого, что также может свидетельствовать о проблемах с устройством.
Какие проблемы могут возникнуть при подключении генератора на КамАЗ?
При подключении генератора на КамАЗ возможны несколько проблем. Одной из них является неправильное подключение проводки, что может привести к короткому замыканию или неэффективной зарядке аккумулятора. Также стоит следить за правильной установкой ремня, который должен быть надежно натянут, но не слишком тугим. Важно также контролировать работу регулятора напряжения, чтобы он обеспечивал стабильную зарядку аккумулятора в процессе работы автомобиля.
